This article examines in detail the features of lighting devices such as LED ceiling chandeliers for the home: the classification of structures and features of the lamps installed in them, the advantages and disadvantages, the principle of operation and distinctive features from other products of a similar purpose. In the text, you can find a photo catalog of interesting ideas and advice on choosing chandeliers for the kitchen, bedroom and living rooms for other purposes.

LED ceiling chandeliers Is the most modern and demanded light source
Content
- 1 LED ceiling chandeliers for the home: general design features
- 1.1 What is the advantage of LED chandelier lamps over others
- 1.2 What is the principle of operation of LED lamps and what is it based on
- 1.3 Classification of LED ceiling chandeliers for home
- 1.4 The main types of LED lamps: classification by design features
- 1.5 Advantages of ceiling LED LED chandeliers for an apartment
- 1.6 Buying LED chandeliers: prices for popular brands
- 2 Choosing an LED chandelier for your home: professional recommendations
- 2.1 What is better to buy a chandelier for the kitchen: choosing the optimal lighting
- 2.2 What is better to buy a chandelier for a relaxation room: choosing a design for a bedroom
- 2.3 Which is the best to buy an LED ceiling chandelier for a children's room
- 2.4 What is better to buy a chandelier in the living room: tips for choosing
- 3 How to change a chandelier yourself without the help of a master
LED ceiling chandeliers for home: general design features
LED chandeliers have become a real breakthrough in the field of lighting technology. The ceiling version of the devices has found wide application in administrative and office premises, and then in living rooms of private houses and apartments. LEDs, due to their improved characteristics, are gradually replacing energy-saving options and incandescent lamps from the market.

LED ceiling chandeliers for the home are capable of producing the full range of light temperatures, so they can be used to create comfortable lighting in any room.
What is the advantage of LED chandelier lamps over others
Compared to conventional incandescent bulbs, LEDs are much safer. During operation, they do not harm human health, their disposal does not cause difficulties and does not have a detrimental effect on the environment. The LED design does not contain gas or mercury, as in gas discharge lamps. They differ from ordinary products in dimensional parameters and the type of luminous flux, which in this case is directed.
Among the advantages, consumers note the high reliability of LED chandeliers, customer reviews from the forums confirm the practicality of these devices:
“It only takes a second to start up a ceiling light. The lamp instantly emits a powerful stream of light.Such advantages are not inherent in energy saving lamps, which took much longer to start up. As a decorator, I can't help but mention the possibility of choosing different shades of light and colors. LEDs have a lot of design possibilities. "
Oksana Shcheglova, St. Petersburg
“Since using LED lights, my electricity costs have dropped significantly. After reviewing the information on the network, I personally checked the efficiency of these lamps. Moreover, this does not affect the power at all, the level of illumination of the room is acceptable. "
Victor Smyatko, Moscow
Note! Compared to fluorescent versions, LEDs are 50% more economical. By using them instead of incandescent lamps, costs can be reduced by 95%.
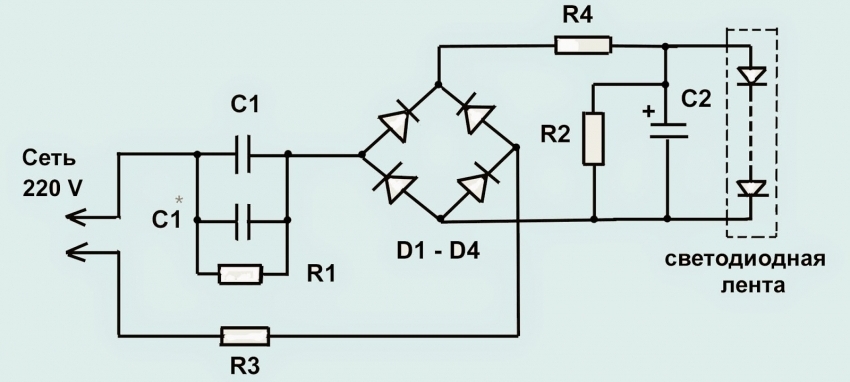
What is the principle of operation of LED lamps and what is it based on
The operation of ceiling chandeliers is based on a conventional converter. At the output, this element produces a voltage of about 5 volts. The converter can be of different design, which uses a capacitor and a diode, or works in accordance with a bridge circuit.

For the manufacture of LED bulbs, glass bulbs are not used, so during operation there is no danger of accidentally breaking and getting injured
To prevent the appearance of impulse noise during operation, an additional capacitor and resistor are included in the converter circuit. These elements are designed to dampen the ripple. And the main capacitor smooths out voltage surges at the output.
A similar arrangement of LED lamps for a chandelier, as well as the absence of the need for a transformer, allowed manufacturers to reduce the size of lighting fixtures, make them light and attractive. In addition, the circuit may include additional devices designed to suppress interference. Such elements include a varistor and an inductor. The first component provides protection against impulse noise and static electricity, and the second one simplifies the design by reducing the number of components required.
Manufacturers offer several schemes according to which lamps are arranged. They all have their own advantages. For example, luminaires consisting of a damping resistor and diodes are distinguished by a long service life, and the presence of a double connection eliminates flickering in LED elements, due to which human eyes do not get tired of light.
Classification of LED ceiling chandeliers for home
Commercially available LED products vary in technical specifications. When looking for where to buy a chandelier for a room, it is worth identifying the most important parameters for yourself. First of all, the type of luminous flux and its strength are considered. This indicator reflects how effective lighting will be in the room when using a particular device. In order for the buyer to be able to visually represent the brightness of the light, manufacturers additionally indicate the equivalent power for an incandescent lamp.
Another important technical indicator is the power consumption. Devices equipped with LED lamps consume about 1-10 watts.
Note! Power consumption indicates the amount of electricity required to operate the device. However, this parameter cannot be used to determine the quality of the glow.

Diodes of different colors are often used in one model, which allow you to adjust the lighting during the day
In the catalogs of chandeliers, there are devices with different colors. For home luminaires, the optimal coefficient is 70 or more. Quality manufacturers always place data on this characteristic on the device packaging.
Classification of luminaires by glow temperature:
| Glow temperature, Kelvin | Lighting type |
| 2700-3500 | yellowish (comfortable for the eyes) |
| 4000-5000 | neutral |
| 6500 and more | cold (not applicable to residential premises) |
LED bulbs have a long service life. However, over time, the amount of light emitted decreases. The standard indicates that 25,000 operating hours result in a 30% reduction in primary capability. For this reason, this parameter is considered as the officially accepted lifespan of LED lamps.

To make the lighting in the house comfortable and pleasing to the eye, it is better to purchase LED bulbs with warm white light
The main types of LED lamps: classification by design features
According to the type of design and parameters of the luminous flux, the following types of lamps are distinguished:
- Linear.
- Universal.
- With directional light.
Linear structures are used in office premises. The lamps of this type installed in chandeliers are made in the form of a tube equipped with a swivel base. This structure allows you to change the angle of the light flux. Universal general-purpose lamps are suitable not only for office premises, but also for living rooms in apartments and private houses. They form a diffused stream of light, which is as close as possible to natural sunlight and does not irritate the eyes. Most often, this type of lighting is found in the photo of large-sized ceiling chandeliers with remote control.
Lamps with directional light are used on the following objects:
- exhibition centers;

Massive geometric chandelier with LED lamps will become a landmark of any living room
- the shops;
- shop windows, etc.
Accent lighting gives a special appearance to the room and draws attention to the things in it. Such LED ceiling chandeliers are purchased as a decorative decoration, for accents.
According to the base design, LED lamps are:
- pin;
- flasks;
- with Edison base;
- soffit;
- with recessed contacts;
- focusing;
- pin.
Interesting fact! LEDs are characterized by long-term nominal glow. They are capable of providing continuous operation for 50,000 hours.
Advantages of ceiling LED LED chandeliers for an apartment
LEDs have become an alternative replacement for many types of lighting systems, in particular devices with a large number of lamps. Such designs can be equipped with sound and motion sensors, remote control and other functional additions. LED ceiling chandeliers have a long service life. The minimum period of effective operation is 10 years. At the same time, the frequency of switching off and switching on of the device does not affect the service life.
Lamps are not limited in shape. This expands the range of possible design solutions and decoration of the devices. Designs of surface-mounted and built-in round LED ceiling lamps are used to decorate ceilings:
- hinged drywall;
- stretch;

Ceiling chandeliers based on LED elements and LED lamps are the most modern types of lighting fixtures
- modular.
Other plasterboard structures are no exception, for example, partitions, niches, arches, shelves. It is allowed to use round LED chandeliers in rooms with high temperatures, since LED elements practically do not heat up. There is no flicker in these lamps. The luminous flux is formed continuously, so a person's eyes do not get tired. Since the angle of illumination is adjustable, such devices can be successfully used to create visual effects in rooms.
Related article:
How to choose LED bulbs for your home: important criteria
Choosing a table lamp for a student. Causes of malfunction of led lamps. Manufacturers and prices.
The possibilities of LED lighting are almost endless, with its help you can:
- visually increase the volume or expand the space;
- create a natural light effect;
- to place accents on certain interior items or areas of the room;
- control the brightness and saturation of lighting;
- create an unusual design using color schemes;
- zone the room, etc.
Buying LED chandeliers: prices for popular brands
The durability of any product depends on the manufacturer, who controls not only the manufacturing process, but also the technology, as well as the quality of raw materials. When choosing LED chandeliers, you should pay attention to well-known and proven brands. High price is one of the hallmarks of quality products. You should not buy cheap Chinese products in pursuit of savings. Most likely, such designs consist of low-quality parts. The most reliable products are produced by manufacturers from Italy, Spain and Germany.
Average prices of LED ceiling chandeliers:
| Brand name | Manufacturer country | price, rub. |
| ArteLamp | Italy | 10990-24990 |
| Arti lampadari | Russia | 9900-25920 |
| Citilux | Denmark | 12810-91990 |
| Eglo | Austria | 7990-19950 |
| Favorite | Germany | 10450-20470 |
| IDLamp | Italy | 6490-60000 |
| Mantra | Spain | 20000-34000 |
| Maytoni | Germany | 10500-15700 |
| MW-Light | Germany | 13800-48880 |
| N-Light | Italy | 7175-16970 |
Useful advice! When buying lamps, it is advisable to pay attention to the options that have the longest warranty period.

An important advantage of LED lamps is their long service life, which is determined by a period of 10 years or more.
Choosing an LED chandelier for your home: professional recommendations
To create beautiful lighting in the house, it is not enough to buy an inexpensive ceiling chandelier. The LED structure must meet the requirements of a particular room.
Before buying a chandelier, you should evaluate the following parameters:
- area and layout of the room;
- the degree of illumination required for a particular room;
- the desired number of shades;
- interior design and style in the room;
- decorative features of the chandelier;
- the size of the chandelier and the type of its design.
Chandeliers equipped with LED lamps can have different configurations.
Structures are of the following types:
- built-in;

Before opting for a particular model of chandeliers, decide on the goals and objectives that will be assigned to this chandelier
- invoices;
- with clamps in the form of suspensions;
- with or without a collecting lens;
- with or without a glass shade that diffuses light;
- with devices for the correction of the light beam;
- with the function of changing color, brightness and other indicators.
What is better to buy a chandelier for the kitchen: choosing the optimal lighting
LED chandeliers are a great and modern option for organizing lighting in the kitchen. With these designs, you can create a harmony of comfort and functionality.
To achieve the best result, you should rationally combine all types of lighting in one room:
- Working.
- General.
- Decorative.
Traditional chandeliers are rarely used in kitchens.
The exception is rooms where the interior is made in the following styles:
- classical;
- retro;
- baroque;
- ethnic;
- country.
In this case, it will not be superfluous to create a combination in the form of central lighting devices and wall lamps designed to illuminate the working area. For neoclassicism and classic design, it is advisable to buy an LED chandelier with crystal pendants.
Useful advice! It is recommended to install a crystal chandelier as far from the stove as possible, otherwise fat will settle on its surface.

To diversify the kitchen and make it modern, it is worth buying a satellite chandelier with LED lamps, which is still popular today.
For chalet-style kitchens, as well as Provence and country, it is better to select lamps made in the form of candelabra. It is desirable that they have an aged surface with a coating in the form of gilding, copper patina or silver. Lamps decorated with a fabric or paper lampshade will perfectly fit into the space of a Japanese-style kitchen. LEDs generate practically no heat, so these chandeliers are fireproof.
For modern styles such as minimalism, hi-tech or modern, appliances with a laconic geometric design in the form of a cube, sphere or LED chandelier rings are suitable. For the kitchen, it is better to select lamps from built-in structures, wall-ceiling-type models and lighting in the form of ribbons.
What is better to buy a chandelier for a relaxation room: choosing a design for a bedroom
Special attention should be paid to the choice of lighting fixture for the bedroom, since this room is used for sleeping and relaxing. In spacious rooms, large chandeliers can be installed. What matters is the nature of the location of the recreation area, the shape of the room and its layout. For a small bedroom, you can choose a pendant-type lighting fixture, decorated with hanging decor, if the installation site will be the area above the foot of the bed.

A chandelier with an ornate design does not dazzle, but gives an even diffused light, which is very important for a bedroom
The power level of the lighting fixture is selected taking into account the area of the room. It is advisable to buy a chandelier with an adjustment function for the bedroom. Even if the selected model has only two lighting options, this is enough to create a comfortable atmosphere.
At the same time, the chandelier should be combined not only with the design, color scheme and style of the interior, but also support the design of other appliances in the room. Often in the bedroom, lamps are installed on bedside tables or a work area is organized. It is important to stick to the general idea so that all appliances in the room look harmonious.
The frame of the chandelier installed in the bedroom can be made of different materials:
- plastics;
- wood;
- metal;
- glass;
- combined materials.
Decorative elements and shades are made from the above and many other materials. Depending on the style of the room, you can choose a chandelier, finished with bamboo, fabric, paper, rattan, vine. Manufacturers even use recycled raw materials.
Useful advice! The optimal dimensions of a chandelier can be calculated using the formula: (room width (m) + room length (m)) x 10 = chandelier diameter (cm). To determine the height of the chandelier (cm), divide the room height (cm) by 4.
Which is the best to buy an LED ceiling chandelier for a children's room
The lighting devices that are installed in the children's room put forward increased requirements. In this case, the design and the presence of decor fade into the background.

LED lamps are made from environmentally friendly, natural materials that do not harm the body, which is an important point when installing in a children's room
Before you buy a children's chandelier in a store, you need to check the selected model for compliance with the following parameters:
- high quality workmanship;
- safety;
- availability of accompanying documentation and certificate;
- environmental friendliness of materials.
In addition, the style of the room, gender and age of the child are taken into account.For a nursery in a classic style, it is worth choosing sophisticated models decorated with flowers and leaves. You can choose a universal chandelier, for example, in the shape of a ball, which will suit almost any interior option.
Do not forget that the child's needs and tastes change with age, so it is advisable to buy devices with a future perspective. Butterflies, gnomes and stars, which are so popular with kindergarten kids, are unlikely to please a schoolboy.

Each of the functional areas of the children's room has its own requirements for the level of illumination
Lighting that is too bright or too dim will make your baby's eyes tired. To avoid fatigue, it is worth choosing adjustable chandelier options in combination with other appliances. Ideally, you need to achieve a comfortable environment for all activities: reading books, relaxing, doing lessons, playing active games.
What is better to buy a chandelier in the living room: tips for choosing
LED lighting is perfect for creating a quiet, cozy and unobtrusive atmosphere in the living room. Such chandeliers form reflected light, which positively affects a person and adjusts him to a calm state.
If stretch or suspended ceilings are installed in the living room, you can create a beautiful combination by placing a large chandelier and small lamps around it in the central area. This option is suitable for classic-style rooms. In this case, it is advisable to select a chandelier with glass or crystal shades and a frame base decorated with bronze, silver or gilding.

With a pendant LED chandelier, you can create an elegant yet simple interior for a modern living room
Helpful advice! Chandeliers with a lot of decorative elements can accumulate dust. If you do not want to regularly clean curls and other small details, you should give preference to simplified design options.
Chandeliers decorated with Swarovski crystals or Murano glass are suitable for a classic living room. For styles such as minimalism and hi-tech, it is worth choosing practical options for devices with a minimum amount of details and a simple design. Available and laconic forms of such chandeliers can be made of glass, thick cardboard, wood, titanium. In this case, the structures must be mobile and flexible.
How to change a chandelier independently without the help of a master
If you have the appropriate knowledge, you can connect the LED chandelier without the help of a specialist. In doing so, it is very important to adhere to basic safety rules and follow the manufacturer's instructions. The work must be done during the daytime with sufficient natural light, since the electricity in the room will have to be turned off.

When installing a chandelier, you do not need to install additional equipment: rectifiers, fuses and a trigger are already included in the design of the bulbs
DIY LED chandelier installation is performed in the following order:
- The room is de-energized by unscrewing the plugs or turning off the switch.
- The old chandelier is being dismantled (if any).
- As a result, a pair of wires should remain - phase and zero, which correspond to the wires on the LED chandelier.
- Contacts are stripped on the wires.
- The screws are unscrewed on the bar for connecting the wires.
- The corresponding wires are inserted into the holes on the strip, after which it is screwed back.
- Installation of the chandelier on the ceiling in accordance with the manufacturer's instructions.
It is very important that the zero and phase wires do not touch each other. Otherwise, a short circuit will occur and the LED chandelier will need to be repaired or replaced completely. In this case, be sure to call the wizard.The most common breakdowns include lamp malfunctions (blinking, falling out of the socket, lack of glow), wiring problems (spark, burning smell) and remote control malfunction.

There is no difficulty in direct installation of the chandelier, since all the main fasteners are supplied with the chandelier
LED chandelier provided it is properly connected, it can serve for a long time. To avoid difficulties associated with installation or breakdown of the device, it is advisable to entrust the installation work to a professional electrician. In this case, you can achieve a high-quality result and maintain the warranty.











