To increase the comfort and convenience in the operation of lighting devices, a pass-through switch is used: the connection diagram clearly displays the principle of operation of the switching device. With its help, you can control the lighting of the room from any point. The design features and rules for installing the product are described in detail in this article.

Pass-through switch: connection diagram of the device from different places
Pass-through switches are used to organize the control of luminaires from several locations

Design and principle of operation of the pass-through switch

Pass-through switches are designed to turn on and off lighting from different ends of the room or staircase. This means that you can turn on the light, for example, when entering a room, and turn it off in another part of it. This principle of operation allows you to significantly save energy.

Turning on lights from different places is not only very convenient, but also allows you to save quite a lot of electricity
Turning on lights from different places is not only very convenient, but also allows you to save quite a lot of electricity

The walk-through switch does not differ in appearance from the usual one. Its front movable panel also shows up and down arrows. A conventional switch has one input and one output. In contrast, a pass-through device has one input and two outputs. This indicates that the current is not interrupted here, but is redirected to any of the outputs.

Despite the fact that experienced electricians by eye they will be able to determine the pass-through switch, reliable manufacturers produce products with a drawn electrical circuit of a double pass-through switch, triple or single, which is located under the device body.

It is also possible to determine that it is a single pass-through device in front of your eyes when examining terminals with copper contacts. There should be three of them. In order to make sure that the terminals are not mixed up with each other, you should use a multimeter. The device should be put in the mode of giving a sound signal and ringing its input and output. If, when touching a contact, the multimeter emits a signal, the contact is present in this place.

Distribution of connections in the network
Distribution of connections in the network

Another difference from a simple switch is that the pass-through device has three-wire switching, and not two-wire, like a conventional one. It is a kind of switch that redirects voltage from one contact to another.

Pass-through switches usually work in pairs to control one light source. Each is supplied with zero and phase. Changing the position of the switch key will close the circuit, causing the light to come on. When the first or second switch is turned off, the phase wiring is opened, and the contact of the pair switch closes, and the light goes out. That is, when the keys on both devices are in the same position, the lighting turns on, in different positions it turns off.

Lighting can be controlled not only from two places, but also three or more. To do this, one or more cross switches must be added to the general connection diagram of the pass-through switch from two places.

Advantages of installing a pass-through switch

Pass-through switches allow you to control the lighting of a room from two or more places, which is indisputable convenience. This is especially valuable for multi-story homes with flights of stairs. Here you can install the first switch on the first floor, and the next one on the second, which will turn on the light at the bottom and off at the top.

It is especially important to use walk-through switches to control staircase lighting.
It is especially important to use walk-through switches to control staircase lighting.

A good solution is to install one switch at the entrance to the bedroom, and the second at the head of the bed, which will allow you to enter, turn on the light, get ready for bed, lie down and turn off the lights. It is also advisable to install switches at the entrance to the house or apartment and at the end of the corridor.

Useful advice! With help special motion sensors or a timer built into the switch, you can arrange for the lighting to turn off automatically when you leave a certain place.

Pass-through switches have significant advantages over conventional devices:

  • high reliability and safety of operation;
  • instant power off the premises, if necessary, from any point;
  • optimal energy consumption;
  • low cost;
  • simple installation that does not require the involvement of specialists;
  • lack of complex settings.
The presence of pass-through switches allows you to turn on the lamps below with one switch, and after going up the stairs turn it off with another
The presence of pass-through switches allows you to turn on the lamps below with one switch, and after going up the stairs turn it off with another

How to make a pass-through switch with your own hands

Despite the fact that at first glance, conventional and pass-through switches have minor differences, their cost is significantly different. You can buy a pass-through switch 1.5-2 times more expensive than a simple one. Therefore, many craftsmen strive to make a switching device on their own.

To get a pass-through one-key switch, it is necessary to use conventional one-key and two-key devices of the same size and manufacturer.

Useful advice! When purchasing a two-key pass-through switch, the circuit of which is printed on the device body, you should make sure that it has the ability to move the terminals in places in such an order to ensure the circuit is open and closed independently of each other.

The process of altering a simple switch in a checkpoint consists of the following steps:

  • the button fitted with clips is removed from the one-key switch;
  • the switch core is gently squeezed out;
  • the clamps of the case on the internal mechanism of the switch are squeezed out;
  • one of the terminals is removed from the socket;
  • one contact is reinstalled opposite the other;
  • a rocker is installed on the contacts;
  • the body is assembled back.
The use of walk-through switches will be convenient if the house has long corridors
The use of walk-through switches will be convenient if the house has long corridors

It is also possible to assemble one switch from two simple ones. They should be placed next to each other in such a way that when the upper part of the key is activated, one is turned on, and the lower one - the other. The keys should be connected with a plate that is glued on top. It is imperative to install a jumper between two adjacent contacts.

Wiring diagram of the pass-through switch with 2 places

The circuit of a pass-through switch from two places is carried out using two single-key pass-through devices that work only in pairs. Each of them has one contact at the entry point, and a pair at the exit point.

Before connecting the pass-through switch, the wiring diagram clearly displays all the stages, the room should be de-energized using the appropriate switch located in the control panel. Then it is necessary to additionally check the absence of voltage in all wires of the switch. To do this, use a special screwdriver.

Useful advice! A similar check should be carried out in the places where the switching devices are installed.

To complete the work you will need: flat, cross and indicator screwdriver, knife, side cutters, level, tape measure and puncher. To install switches and lay wires in the walls of the room, appropriate holes and grooves should be made, according to the layout of the devices.

Unlike conventional switches, pass-through switches have not two, but three contacts and can switch the phase from the first contact to the second or third
Unlike conventional switches, pass-through switches have not two, but three contacts and can switch the "phase" from the first contact to the second or third

Important! It is impossible to install a pass-through switch in place of a simple switch.

It is necessary to lay the wires at a distance of at least 15 cm from the ceiling. They can be placed not only in a hidden way, but also be stacked in trays or boxes. Such installation makes it possible to quickly carry out repair work in the event of cable damage. The ends of the wires must be led into junction boxes, in which all connections are also made using contactors.

Installation procedure for 2-point switches: connection diagram

All actions for the installation of switching devices are carried out on the basis of the connection diagram of 2 places of pass-through switches, which can be found on the Internet. It differs from the installation of conventional switches, since there are three wires instead of the usual two. In this case, two wires are used as a jumper between two switches located in different places in the room, and the third is used to feed the phase.

Any type of lamp can be used as a source of lighting in such a scheme - from ordinary incandescent lamps to fluorescent, energy-saving and LED
Any type of lamp can be used as a source of lighting in such a scheme - from ordinary incandescent lamps to fluorescent, energy-saving and LED

Five wires must be suitable for the junction box: the power supply from the machine, three cables going to the switches, and the plug-in wire directed to the lighting fixture. When constructing a wiring diagram for a single-key pass-through switch, three-core cables are used. Zero wire and ground lead directly to the light source. The brown phase wire that supplies the current passes through the switches, according to the diagram, and is output to the lighting lamp.

Useful advice! To avoid problems with future wiring, it is recommended to use copper wires with a cross section of at least 2.5 mm2.

The switches are connected at the break in the phase wire, and the zero, passing through the junction box, is directed to the lighting fixture. Skipping the phase through the switch will ensure safety during repair and maintenance of the luminaire.

Installation of a pass-through switch consists of the following sequence of actions:

  • stripping the ends of the wires from insulation;
  • using the indicator, it is necessary to determine the phase wire;
  • using twisting, the phase wire should be connected to one of the wires on the first switch (white or red wires are used here);
  • the wire connection of the zero terminals of the switches is performed;
  • connecting a separate wire of the second switch to the luminaire;
  • in the junction box, the wire from the luminaire is connected to the neutral wire;
When installing pass-through switches yourself, you need to take care of safety
When installing pass-through switches yourself, you need to take care of safety

Useful advice! If twists are made, they should be soldered and wrapped with electrical tape.

Pass-through switch: connection diagram of three or more places

If there is a need to control lighting devices from different places, then a 3-point pass-through switch connection diagram should be implemented. This is true for multi-storey buildings, large halls, long corridors with several exits. For this, in addition to two conventional pass-through switches, a cross switch is required. In such a switching device, there are not three, but four contacts: one pair of input and two output, which are simultaneously switched. To do this, use a four-core cable.

Connection diagram of three pass-through switches
Connection diagram of three pass-through switches

In the wiring diagram of pass-through switches with 3 positions at the first and last point, ordinary switches are used, between which a cross switch is installed.

Useful advice! Since the connection in the junction box with each additional point is associated with a large number of wires, it is recommended to mark the wires.

The connection diagram of the pass-through switches from three locations will look like this:

  • "zero" and ground are displayed on the lamp;
  • connecting a phase to the input of the first pass-through switch;
  • using wires, the output contacts of the first switch are connected to the input pair of terminals of the cross switch;
  • connecting the output wires of the cross switch with a pair of terminals at the output of the second pass-through switch;
  • the wire from the second switch is fed to the luminaire;
  • the second wire, which goes from the luminaire, goes to the junction box at zero.

Related article:

Socket: how to connect electrical fittings without the help of a specialist

How to connect an outlet with your own hands. Description of preparatory measures and installation technology. Electricity Handling Rules

If lighting control is planned from a larger number of places, additional cross switches are introduced into the general scheme, which are connected according to the above principle.

Each pass-through switch has a three-wire cable, and the crossover has a four-wire cable. All wires used for connection must be of the same cross section. Switches that can operate at 6.10 and 16A normal currents must have the same rating. You can clearly see the connection diagram of the pass-through switches from 3 places on specialized sites on the Internet.

The procedure for connecting a pass-through switch is not much different from connecting a conventional switch
The procedure for connecting a pass-through switch is not much different from connecting a conventional switch

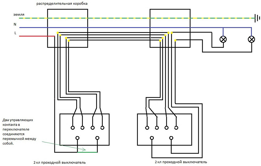
Connection diagram of a two-key pass-through switch

With the help of pass-through switches, you can control not only one luminaire, but also a group of several lighting devices. To do this, connect the two-button switches through the passage. Each of them has six contacts. Common wires are determined in the same way as for conventional devices, but more wires need to ring.

The difference between the connection diagram of the double pass-through switch is that more wires are used here. The phase is applied to both inputs of the first switch. From two inputs of the second switch, wires for two lamps should come out. In the case of organizing lighting control from three or more points, two cross switches should be installed for each of them, since they are produced only with one-key.

Wiring diagram of a two-key switch
Wiring diagram of a two-key switch

In this case, according to the principle of connecting double pass switches with cross switches, the first pair of contacts should be connected to one cross, and the second - to the other. If necessary, the devices are connected to each other.The output of both cross switches must be connected to the last two-key jumper.

Famous manufacturers of pass-through switches

The Legrand company occupies a leading position in the electrical goods market. The demand for Legrand pass-through switches is due to the high quality of products, ease of installation, convenience in further operation, stylish design and flexible pricing policy. The only drawback is the need to adjust the mounting location. If it does not match the product, difficulties may arise during its installation, which is carried out according to the connection diagram of the Legrand pass-through switch.

Legrand pass-through switches
Legrand pass-through switches

Subsidiary Legrand is the Chinese company Lezard. However, only a stylish design remained from the original brand. The build quality is much lower due to the low cost of the product.

One of the leading domestic manufacturers of electrical goods is Wessen, which is part of Schneider Electric. All products are manufactured using the latest technologies on modern foreign equipment and comply with European quality standards. The models have a versatile stylish design that allows each element to fit into any room interior. A distinctive feature of Wessen switches is the ability to replace the decorative frame without dismantling the device.

Another equally well-known manufacturer is the Turkish company Viko. The products are characterized by high quality workmanship, reliability and durability, meet the requirements of electrical safety and European quality standards. In the manufacture of the device body, a fireproof durable plastic is used, which is designed for a large number of operating cycles.

The pass-through switch, unlike the usual one, has three conductive wires
The pass-through switch, unlike the usual one, has three conductive wires

Turkish brand Makel offers quality, reliable, safe and stylish products. Thanks to the possibility of connecting a loop without the need to use the junction box, the installation of the switches becomes simpler, and further operation becomes comfortable and safe.

Popular range of pass-through switches

Legrand walk-through switches from the Velena series are distinguished by their stylish design and a variety of color variations. Here are one and two-key products that have a dust and moisture protective layer. You can buy a switch from 300 rubles.

The Celiane series includes products with circular keys inscribed in a square. They can be contactless with levers or silent. The cost of switches starts at 700 rubles. The Exclusive Celiane range is represented by a limited number of handcrafted switches in marble, bamboo, porcelain, gold, myrtle and other materials. Frames are made exclusively to order. The price for the product starts from 5.9 thousand rubles.

Colors for Celiane Switches
Colors for Celiane Switches

The most popular series of switches from Lezard are Demet, Mira and Deriy. Here are products made of non-combustible polycarbonate that meets the requirements of electrical safety. The conductive elements are made of phosphor bronze, which is characterized by high conductivity and low heating. You can buy a single-key switch through from 125 rubles.

The Wessen W 59 Frame series uses a modular principle, allowing 1 to 4 units to be mounted in one frame horizontally or vertically. The price of the product is 140 rubles. Single and double pass-through switches from the Asfora series are distinguished by a simple design, but high quality performance, which can be bought for 450 rubles.

Among the popular series from Makel are Defne and Makel Mimoza. The device body is made of high quality plastic, equipped with an internal reliable mechanism. The cost of products starts from 150 rubles.

When the on / off button is pressed, the moving contact of the pass-through switch is thrown from one contact to another, thus creating conditions for a new circuit in the future
When the on / off button is pressed, the moving contact of the pass-through switch is thrown from one contact to another, thus creating conditions for a new circuit in the future

The principle of operation and installation of switching devices do not present significant difficulties. It is necessary to first study the connection diagram and follow the recommendations of the electrical safety rules, which will make it possible to carry out a reliable and safe installation of devices, thereby providing convenient and comfortable control of lighting devices in the house.

How to connect a pass-through switch: video connection diagrams