Modern interiors require a lot of free space in the premises. This rule also applies to the toilet room. A suspended toilet bowl with an installation is considered one of the latest plumbing inventions that allow you to decorate a toilet laconically and beautifully. In order for the product to serve for a long time, you need to competently approach the choice of the manufacturer, the material of manufacture, choose the most convenient shape that matches the style of the room.

A suspended toilet bowl with installation will allow you to design a toilet concisely and in an original way
Content
- 1 Installation: what it is, the main design features
- 2 The main advantages and disadvantages of wall-mounted toilets
- 3 Suspended toilet with installation: the main selection criteria
- 4 Basic types of installation systems for wall-hung toilet bowls
- 5 Overview of the main models of wall-hung toilet bowls: Roca and Ifo
- 6 Features of installing a hanging toilet with your own hands
Installation: what it is, the main design features
Free-standing toilets, surrounded by a large number of pipes and all kinds of connections, are slowly becoming a thing of the past. Increasingly, when choosing plumbing fixtures, consumers prefer installation sets with wall-hung toilet bowls, which are a structure built into a decorated box or frame system on the wall. It is to this system that the tank and all the elements of the suspended structure are then reliably attached, and due to the presence of free space, all supply and discharge sewer systems are compactly hidden there.
Interesting information! Many people refuse to use wall-mounted toilet bowls because they simply do not trust plumbing, roughly speaking, suspended in the air. In fact, in terms of reliability, such systems are in no way inferior to free-standing toilet bowls with a conventional cistern.
In the suspension system toilet installations most often, a light but durable tank is used, made of high-quality plastic, which is much lighter in weight than the ceramic version. It is the use of plastic that reduces the total weight of the structure and reduces the load on the frame. The flush button is placed on the wall above the toilet itself and placed at a convenient level.Most often, the button consists of two sections that allow you to drain different amounts of water: when you press one button, half of the tank is drained, and the second button allows you to fully drain.
Regardless of where the installation is mounted: to the floor or directly to the wall, it is capable of withstanding a large weight (up to 400 kg). It is important that the size of the wall-mounted toilet bowl with the installation corresponds to the dimensions of the box where the structure will be installed. Therefore, before choosing a particular model, you need to perform the necessary surface measurements. As a result of the installation of the system, the toilet bowl and the drain button are brought to the fore, and all other parts are cleverly hidden in the box.
The main advantages and disadvantages of wall-mounted toilets
In addition to the fact that the installation of a wall-hung toilet looks much more attractive than the standard model, it also has other advantages, the main ones of which are:
- The ability to beautifully hide in a wall or a special niche all plumbing communications, which in most cases do not look very attractive.
- There is no need to mount the device to the floor, which makes cleaning the room much easier.
- Reducing noise from draining water and filling the tank.
- Increasing the attractiveness of the room and rational use of space.
Due to the fact that the installation of the structure does not require the use of a floor covering, this opens up a large number of advantages. For example, it becomes possible to install an underfloor heating system without unnecessary difficulties, when there is no need to bend around the place where the toilet is attached. And also during the installation process there is no possibility of damage to ceramic tiles, which are fragile.
Despite the large number of advantages, there are also disadvantages of hanging toilets, among which the following are worth highlighting:

The cost of installing an installation is 1.5-2 times more expensive than installing a free-standing toilet
- Time consuming installation process. To properly and reliably fix the structure, you need to have a certain experience and a set of knowledge in the field of plumbing. Otherwise, you should order the services of installers, whose work will cost a lot.
- The need for preliminary work. In some situations, especially when it comes to repairing the washrooms of the old fund, it will be necessary to redo the water supply and drainage systems.
- Mandatory presence of a niche in the wall. Not every toilet can be installed, because it will require free space. Sometimes, before carrying out work, it is necessary to additionally make a niche in the wall.
- Difficult access to communications. Due to the fact that access to the pipes is closed by a false wall, it is not always possible to detect a leak in time.
- High installation cost. The price of a package of services for the installation of the installation will be at least 1.5-2 times more expensive than the cost of fixing a free-standing toilet.
Important! Residents of high-rise buildings should take into account that sometimes utilities oppose the shelter of the riser behind a false wall made of plasterboard, which limits free access to the pipes. There is a known situation when the management company sued the tenants who installed the installation and won the process. Therefore, in order to avoid problems, it is better to talk to the utilities before installation.

The time-consuming installation process is the main disadvantage of wall-hung toilet bowls with installation
Suspended toilet with installation: the main selection criteria
Before choosing an installation for a wall-hung toilet, the first thing you should pay attention to is the size of the place where you plan to install the structure, because it is these parameters that you need to focus on when buying.If the retail outlets did not find a frame suitable for the size, you need to opt for a system that is distinguished by the presence of moving elements. The presence of adjustment will allow you to adjust the size of the frame to the parameters of the niche intended for installation.
When choosing an installation for a toilet, you need to carefully examine the structure and pay attention to the quality of the toilet itself, which is the most important and vulnerable part of the kit. It is also important to check the availability of a complete set, including the necessary parts for installation, before buying, because if something is missing and this is discovered directly in the process of work, you will have to waste extra time and money. Below is a list of items included in the standard set:
- frame, which is the basis of the entire structure;
- a set of parts for correct and safe fastening;
- cistern;
- external button for draining water;
- materials used to improve sound insulation;
- special adapter for flush elbow.
When making a purchase, you should inquire about the features of the installation of the system, because in some cases, additional fasteners may be needed to make the structure even more reliable.

When choosing a product, it is necessary to inspect the structure and pay attention to the quality of the toilet itself
When purchasing hanging toilet bowls (customer reviews will help you make the right choice), you should pay attention to the fact that for some models it is difficult to choose a replacement mount in case of a breakdown during installation. It is better to buy additional parts missing for installation immediately in the process of purchasing the installation, using the help of a consultant. If there are no such elements in the outlet, then experts, in order to avoid problems, advise you to abandon the purchase.
It would be logical to assume that if the component parts are missing at the point of sale of the installation system, it is likely that finding them in other stores is no less problematic.
Features of the choice of fasteners directly depend on the installation site. If the system is fixed directly to a solid load-bearing wall, then several reliable anchors are sufficient for installation, which you can choose yourself.
Helpful advice! Each set of installations includes a button for draining, but if it does not meet the requirements for some parameters, it is possible to choose another option that is more suitable in appearance and fits better into the style of the room. It is important to understand that a double button that regulates the intensity of the drain will help to significantly save on water consumption.

The choice of fasteners for mounting the installation directly depends on the place of its installation
Before opting for a specific model, experts recommend paying attention to the presence of additional functions, the choice of which directly depends on the needs. So, you can buy a wall-hung toilet with a bidet function or a built-in hairdryer. Of course, such models will be distinguished by a higher cost, but the result of the purchase will be the installation of several useful devices at the same time.
The main characteristics to look out for when choosing a toilet installation
To choose a good wall-mounted toilet, you need to pay special attention to studying the characteristics of the device, because the convenience of use will depend on them. The main parameters to consider when buying:
- material of manufacture;
- shape and size of the device;
- model color;
- type of drain;
- reliability of the manufacturer;
- cost.
The materials used to make the hanging structures are no different from standard solo kits. The rating of the best wall-hung toilet bowls is headed by models made of porcelain or earthenware, covered with a special protective glaze. It is these options that are characterized by the greatest reliability, have an attractive appearance and the longest service life.However, it should be noted here that, nevertheless, porcelain products are characterized by high density. This is due to the fact that firing takes place at a higher temperature than the processing of faience options.

In the ranking of the best wall-hung toilet bowls, models made of porcelain or earthenware occupy the top positions
It is interesting! The basis for the manufacture of porcelain and faience is clay (kaolin), the difference lies in the percentage of kaolin to other elements of the composition. If in porcelain products the percentage of clay is about 50%, then in earthenware it is 85%, which makes them more vulnerable, but affordable. More often, porcelain items are not covered with paint, so it can be assumed that all variants of colored toilet bowls are made of faience.
Sanitary ware is characterized by the presence of glaze, and in appearance it will not be easy for a common man to distinguish it from porcelain. The advantage of such toilets is their lower cost. When buying hanging devices made of earthenware, it is necessary to check the absence of chips, cracks or other defects on the surface, and also give preference to the manufacturer with the greatest number of positive reviews.
Hanging toilets made of metal or glass can be distinguished into a separate group. In this case, it should be borne in mind that, first of all, metal products will be associated with public places or toilets on the train, and glass, even tempered glass, will not be as durable as ceramics. Therefore, both options can be attributed to non-standard design solutions that are considered not very suitable for residential premises.
As for the choice of color, the standard white colors always remain versatile and relevant, but modern technology allows you to decorate the toilet with toilets of almost any color. In this case, it is necessary that the colored toilet fits into the overall concept of the room. You should be prepared that colored products will cost a little more than standard white wall-hung toilet bowls. In general, the following tones are considered popular:

Today you can buy a toilet in almost any color, but white colors always remain universal and relevant.
- White, pearl or gray. These are versatile colors that will blend in with any interior and design.
- Yellow, red, green. Bright colors that will make the room unusual and fun.
- The black. Such a wall-hung toilet will be an excellent addition to a modern-style toilet.
Helpful advice! An unusual design solution is toilets with applied ornaments or patterns.
Features of the choice of a toilet bowl set with installation depending on the shape
Due to the fact that the installation of a wall-hung toilet bowl with installation is carried out almost anywhere in the bathroom, it is interesting to beat the design of the room. This is due to the fact that, in addition to the standard installation in a niche, the system can be mounted autonomously in the middle of the room. This method of installation is much easier to organize in a private house or in an apartment in a new building at the stage of renovation, when there is an opportunity to perform wiring, as required by the design intent.
An interesting option for a floor-standing toilet with an installation is the monoblock system, which does not require the use of a wall. This design option is sold immediately together with the toilet. Such models are quite expensive, but they save the user from the problem of remodeling the toilet room. The design drawback is that if one of the parts is damaged, the entire system must be replaced.

The shape of the wall-hung toilet does not affect the size of the installation, but you need to choose a product based on the area of the toilet
Another popular version is considered rimless toilet, which is much easier to care for due to the lack of hard-to-reach places. The spray of water in such models is prevented by a specially designed release system.
Related article:
Toilet for installation: a modern and comfortable solution for a bathroom
Advantages and disadvantages. Sizes of installations and toilets. Overview of installation manufacturers. Councils for the choice of installations and toilet bowls.
The shape of the structure practically does not affect the size of the installation for a wall-hung toilet, but you should still choose the device based on the area of the bathroom. There are such forms with a bowl of toilet bowls:
- Visor. The most popular option that is found in most models of wall-hung toilet bowls. The main disadvantage is the quick contamination of the visor.
- Funnel-shaped. The main advantage is economical water consumption. Unpleasant odors do not linger in such a bowl, and its care is very easy.
- Poppet. The least practical option, because it is the most difficult to care for, and flushing takes a long time. The main advantage is the absence of the likelihood of splashing water either during use or during flushing.

The shape of the bowls of hanging toilet bowls can be very different: square, round, rectangular, trapezoidal and even egg-shaped.
As for the shape of the bowl itself, today there is a large selection of models. Designers, in addition to the standard oval configuration, provide for the presence of square, round, rectangular, trapezoidal, as well as hanging toilets resembling the shape of an egg. The choice depends on the desire to give the toilet a certain design look.
How not to be mistaken when choosing the optimal size for an installation with a toilet
The main parameter of the size of the bowl is its length, depending on which toilets are divided into the following options:
- For a small bathroom, compact models up to 54 cm long are considered ideal.
- The average size of 60 cm is the most popular and versatile.
- If there are people with disabilities, large physique or elderly people in the apartment, it is better to give preference to enlarged models - 70 cm or more.
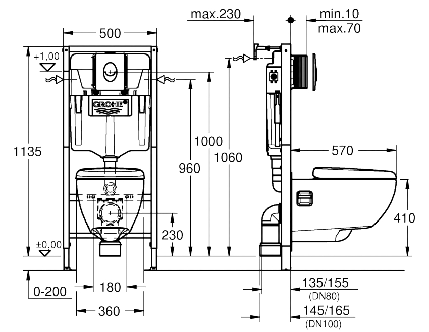
As for the height and width of the installation, the choice of dimensions here directly depends on the area of the room where the installation is planned. The standard installation height, depending on the type of construction, varies from one to one and a half meters. Some manufacturers offer products up to 850 mm in height. It should be noted that in most models this characteristic is adjustable due to the presence of moving legs and an additional screw clamp.
The width of the installation for the toilet is in the range of 0.3-0.5 m. In different models, the parameter varies, but does not go beyond these limits. If the installation is distinguished by the presence of sliding wings, with which the system is attached to the wall, then the width exceeds the standard.
The depth parameter often varies in the range of 14.5-23.5 cm. It is important to consider here that the smaller this indicator, the smaller the niche will be needed for embedding. Small dimensions are most relevant when making false walls made of plasterboard.
It is interesting! In general, the installation parameters will depend on the type of construction and type of installation.

In various models of wall-hung toilet bowls, the installation width varies, but does not go beyond 0.3-0.5 m
Basic types of installation systems for wall-hung toilet bowls
In general, there are two types of systems on the market that differ in the type of construction:
- block;
- frame.
The block version of the installation is mainly fixed directly to a solid and solid wall. Fixation in this case is carried out by using anchor bolts that can withstand a large load. The block structure is considered easier to install, but in this case it is required to fill the void between the main and drywall wall. If this condition is not met, the structure of the toilet will put excessive pressure on the false wall, as a result of which cracks may appear on the ceramic tiles.
The frame installation system involves mounting the product on the floor. Externally, the system is a metal frame that is fixed to the floor and wall, and a separate mount that is responsible for the reliability of the toilet bowl installation. In this case, there is no need to use a solid wall, because the main load falls on the floor.
The frame systems allow the height of the wall-hung toilet to be adjusted within 20 cm using the adjustable feet. This is considered an advantage because for people with short stature, the standard bowl position can be inconvenient. In addition, a small shelf can be placed in the space above the cistern.

The block version of the installation for wall-hung toilet bowls is attached directly to the wall in a special niche
Before choosing this or that model, you must first determine the optimal installation location and, based on this, select the type of system. Thus, the standard wall-to-wall arrangement is considered suitable for most washrooms, even those with limited space. In a small room, it is necessary to correctly approach the choice of parameters.
By the type of installation location, the following options are distinguished:
- Low. Suitable for bathrooms with limited height, when it is impossible to choose a standard version. The height of the low installation for wall-hung toilet does not exceed 82 cm.
- Double-sided. Most often used in shopping centers or offices, when it is necessary to install toilets on each side of the wall. This system allows you to save space as much as possible and create a compact bathroom.
- Corner. A popular option for installation in a toilet, combined with a bath, allows you to use the area of the room as efficiently as possible. A corner toilet with installation requires a special attachment, the so-called corner installation module.
- In-line system. The design involves the installation of several plumbing items in the bathroom at once, which includes a toilet, washbasin and bidet.

By the type of installation location, there are such types: low, double-sided, corner and systems located in a line
Overview of the main models of wall-hung toilet bowls: Roca and Ifo
When choosing a suspension system, you need to take into account the design features of a particular installation site. It should be understood that after the installation, the structure frame will be completely hidden behind a decorative wall or partition and subsequent access to it will be difficult. For this reason, it is not advised to save on purchases.
It is recommended to choose models from a reliable and trusted manufacturer that has received the most positive reviews. To avoid problems, you should carefully approach the installation process and, in the absence of experience, contact firms specializing in this type of work.
There are a large number of manufacturers and models on the market. For convenience, below is a list of the most popular suspended structures that have good reviews not only among users, but also among plumbing professionals.
Suspended toilet bowls "Roca" of the Spanish manufacturer are popular, because in Russia there is a plant of this company, respectively, the price of products will be slightly lower. The lineup of the company is distinguished by high quality products, simple but attractive appearance. Let's take a closer look at the models most in demand on the market.

Suspended toilet bowls of the Spanish manufacturer "Roca" are very popular due to their reasonable price
Roca The Gap. The toilet is made of sanitary porcelain, has a pneumatic flush button and two modes of flushing water. Suspended tank. One of the advantages of the model is a wall-mounted toilet seat with a microlift, the so-called soft close system, which gradually lowers the lid. The average price of the model is 18,720 rubles. It should be noted that some outlets sell Roca Gap wall-hung toilet without a seat and cistern.
Roca Meridian.A more affordable model, the advantage of which is the presence of an anti-mud coating. The drain mechanism and mode are determined by the selected installation system. The main disadvantage is the lack of a seat in the kit, which is then purchased additionally. Price - 12 360 rubles.
Roca Dama Senso. Suspended toilet, characterized by horizontal drainage and funnel-shaped bowl in the form of a rectangular arc, which makes the toilet very convenient to use. The model is made of faience, and the lid is equipped with a microlift system. The height of the toilet bowl from the floor is 35 cm. The disadvantage of the model is the lack of a cistern in the complete set. Price - from 10 thousand rubles.
Other popular options for wall-hung toilet bowls are the models of the Swiss manufacturer Ifo:
- Sjoss Rimfree RP313200600. The product is made of porcelain and has a horizontal direction of water discharge. The main advantages are the presence of an anti-splash system, the presence of a seat in the set, a rimless type of toilet bowl. The disadvantages include the absence of an installation frame, which must be purchased separately. Price - from 15,900 rubles.
- Special RP731300100. Another popular model of the wall-hung toilet is Ifo, which also lacks an installation system. Optionally, you can install a seat with a microlift. Price - from 8 thousand rubles.
Description of wall-hung toilets Geberit, Grohe and Villeroy Boch from German manufacturers
The German company Geberit has been producing sanitary fixtures since 1906 and has since gained a lot of experience in manufacturing. Besides Germany, the company has factories in the USA, China and many European countries. Toilet bowls are made only of high quality materials, and the product warranty extends for more than 10 years. All models have international certificates of conformity and quality.
Duofix UP320. This model of wall-hung toilet "Geberit" is manufactured at a factory in Switzerland. The main advantage of the installation is that it can be installed even in places where it is problematic to mount other models. The system comes with reliable fastening pins, the length of which is 500 mm, and it will not be difficult to find spare parts for the model. The height of the structure is 112 cm, a double flush button is available. The price starts at 14 thousand rubles.
Duofix 4 in 1. Suspended toilet bowl with a microlift on an iron mount, which significantly extends its service life. The set consists of a frame with a cistern, a chrome-plated button, a Flaminia APP Goclean cantilever wall-hung toilet with a rimless design and a soundproofing pad. The cost starts from 21 thousand rubles.
The German company Grohe, no less popular in the plumbing industry, also produces high quality wall toilets. The most popular models are:
- Grohe Lixil Solido. The bowl of the model is made of porcelain, and the structure itself belongs to the wall hanging type. Component parts are guaranteed for 5 years. Cost - from 21 thousand rubles.
- Grohe Sensia Arena. It is considered a premium model, the price of which reaches 100 thousand rubles. The main advantage is the presence of the functions of a bidet, built-in hair dryer and antibacterial coating. Thanks to its unusual design, it will decorate any bathroom.
- Grohe Rapid SL. The design on a 10-point system in the rating of wall-hung toilet bowls is gaining 10 points. The frame system has a height of 113 cm. In addition to the installation, the kit contains a tank, fastening elements, soundproofing material and a chrome-plated double flush button. The main advantage is the presence of options for choosing the water connection from the side or rear. The price starts from 19 thousand rubles.

Toilet with Grohe Lixil Solido installation is available in standard sizes, and the warranty for components is 5 years
Villeroy Boch is another German company that makes quality wall-hung toilet models.The first on the list is the Novo model, the cost of which starts at 30 thousand rubles. The material from which the bowl is made is reliable porcelain. The toilet has a horizontal water drain and two drain modes. The seat is equipped with a microlift system and is quick-detachable.
The main positive feature is the availability of a complete installation kit. The disadvantages can be considered a short warranty period (4 years) and the ability to carry out only the rear connection of the tank, which can cause difficulties during installation.
The cheaper model of Villeroy Boch wall-hung toilets is the Architectura, which has a rimless design and a two-way drain. The price (21 thousand rubles) is justified by the fact that the installation frame is not included in the kit.
Inexpensive wall-hung toilet models that have good reviews
Popular is the budget version of the wall-hung toilet of the Polish company Cersanit - the Delfi model, the price of which is only 6500 rubles. All wall-mounted Cersanit toilets do not have an installation frame in the kit, which is why they are distinguished by their low cost. The bowl of the Delfi model is made of high-quality earthenware, has a reverse drain and a double mechanical button that allows you to economically use water. The main disadvantages are the presence of a splash during flushing and slow filling of the tank. Other company models:
- Cersanit City. Has an anti-splash system and attractive chrome fittings. The main advantages are a seat with a soft close system and a low cost (from 5500 rubles).
- Cersanit Pure. Wall-mounted bidet made of porcelain with a back-to-wall structure. The kit includes all the necessary fittings, as well as a chrome-plated faucet.
Another budget option is the suspended plumbing fixtures of the Czech company Jika. Here we should highlight the Lyra model, the cost of which is only 3 thousand rubles, but at the same time the toilet has an attractive design. Installation, seat and fittings will have to be purchased separately. The more expensive option is the Mio model, the price of which starts at 6500 rubles. It features a modern design, quick release seat and hidden installation. The installation for the product must be purchased separately.
Features of installing a hanging toilet with your own hands
If you have good experience in construction work, including the skills of connecting plumbing equipment, you can try to install a wall-hung toilet yourself. However, it should be borne in mind that in the event of a breakdown, it will not be easy to remake the structure.
First of all, you should choose an installation site, taking into account unhindered access to the sewage and cold water supply, mark the level of fixing the frame. To keep the installation level, a building level should be used during installation. The screwed structure should fit snugly against the floor or wall.

If you have experience in construction work and skills in connecting plumbing, then you can try to install a wall-hung toilet yourself
Helpful advice! Before installing the tank, you should check its operation by pouring several liters of water into it.
To create a false wall covering the structure, plasterboard is often used, which is then revetted depending on the environment. After that, the hanging toilet is attached using studs, as well as its connection to the water supply and drainage systems. At the final stage, the drain button is installed.
An installation with a hanging toilet is considered a neat and beautiful option for decorating a bathroom, especially if a modern style prevails in the apartment. Due to the absence of unnecessary parts and the closer location of the toilet to the cistern (compared to the standard version), even a small room will look more spacious. It will be much more convenient to clean in such a room, because when washing the floor, no structures will interfere.











