The shady garden at the backyard and summer cottage will be a great place for a family vacation, especially if you make a little effort and make it comfortable with various accessories and small structures, for example, sheds, gazebos, benches, etc. Make and place a garden swing made of wood with your own hands on the site: photos and drawings, dimensions and basic parameters for construction can be found in this article.
Content
- 1 Features of creating a wooden swing for a summer residence: characteristics and types of structures
- 2 Do-it-yourself garden swing made of wood: photos and drawings, sizes and modifications
- 3 DIY construction of a wooden swing for a summer residence: drawings and selection of materials
- 4 Additional materials for creating a family or children's hanging wooden swing
- 5 Garden swing drawings: how to make a family structure with your own hands
- 5.1 Marking the base of the product
- 5.2 Cutting the supporting part of the structure
- 5.3 DIY garden swing drawings: assembling the support
- 5.4 Making a seat for a garden swing with your own hands from wood
- 5.5 Photo of a wooden swing for a summer residence with your own hands and the process of hanging
- 5.6 The final stage of construction
- 6 Photos of children's swing made of wood with their own hands and how to create them
Features of creating a wooden swing for a summer residence: characteristics and types of structures
Three main materials are most often used to create a garden swing. This list includes wood, plastic and metal. Undoubtedly, each of these materials has its own advantages and disadvantages. But when it comes to do-it-yourself garden swing drawings, you will not find more practical and convenient raw materials than wood.
A wooden swing has only one drawback, which concerns the operation of any products made of wood. Such structures without the use of appropriate protective measures can be severely affected by the influence of negative environmental factors.

With your own hands you can make a variety of swing and translate your own ideas into reality
Helpful advice! To prevent premature damage to the wood, it is enough to install the structure under a canopy or pull an awning over it. Thanks to this, you will protect the swing from the harmful effects of rain and sun. Special protective agents and antiseptic compounds solve the problem of parasites, fungi, decay processes and moisture.
The advantages of creating a wooden garden swing with your own hands
The wood has excellent technical and operational characteristics. Thanks to the properties of this material, you can create a truly comfortable and beautiful design.
Features of do-it-yourself garden swing made of wood:
- environmental friendliness. Since wood belongs to materials of natural origin, products made from it are completely safe for human health;
- external aesthetics. The structures are able to fit into any landscape and garden design, since the main part of the environment is made up of natural materials (stone, wood) and vegetation. Compared to metal products, wooden structures are significantly aesthetically pleasing and can support the exterior of any country house;
- safety. Due to its softness, wood is easy to use and use, it can reduce the number of injuries. This advantage is most advantageous if you intend to complete the structure children's swing;
- simple installation system. Anyone with the simplest skills in construction and handling wood can be engaged in the construction of a swing;
- versatility. This type of material lends itself quite easily to various types of processing (grinding, cutting, cutting). Thanks to this, any of the do-it-yourself garden swing made of wood, the photo of which you most like, can be done by you yourself without involving specialists in this process. Wood allows you to make single-seater structures or swings with a large capacity, made in the form of sofas.
Note! Material procurement costs are not high. In addition to this, creating products yourself, you save on the services of craftsmen.
Do-it-yourself garden swing made of wood: photos and drawings, sizes and modifications
If you decide to start creating a swing in your summer cottage yourself, first of all you should decide on the type of structure that you want to install and determine a suitable place for its placement. To facilitate and speed up the design and preparation stage, use a photo of a do-it-yourself swing made of wood, the drawings of which are many on the Internet.
Varieties of garden swing with their own hands made of wood
The classification of garden swing is quite extensive. In this case, the main types of structures are presented:
- family - have a high capacity. The design is based on a long bench, which plays the role of a large seat that can simultaneously accommodate up to 5 people. In most cases, a swing of this type is equipped with its own canopy that protects from sunlight and bad weather;
- children's - designs can have a significant number of modifications. Most often, the main components of such a product are supports, a small seat and fasteners. At the same time, it is important to ensure a full level of safety for the child. For these purposes, protective elements must be provided in the design that will prevent the baby from falling.These elements include a comfortable backrest, handrails on the sides, a partition located in the front, seat belts that fix the child inside the seat;

Original baby swing made of wood in the form of a horse
- portable - products with compact dimensions and light weight. These characteristics allow not only moving the swing around the site, but also folding it into a car for transportation to another place during rest. As a rule, the fastening of such products is carried out on a tree branch or on a pre-made support.
Choosing a place to place a children's swing with your own hands made of wood
Any type of construction that is carried out on the territory of a suburban land plot begins with the design stage and the selection of an appropriate place.
Note! The principle according to which the choice of a place for construction is carried out applies not only to children's swing made of wood. These requirements apply to other designs as well.
As far as possible, a plot with a flat surface should be selected on the backyard. It is desirable that this area be sheltered from the sun and precipitation. The ideal place to create a swing is under a tree, where a thick shadow falls. Installation on a porch protected by a canopy is allowed.
All these conditions directly affect the level of comfort of operation, since it is unpleasant and inconvenient to sit on a swing seat, hot in the sun. Unhindered exposure to rain can damage the structure.
It is also worth taking into account the fact that as the sun moves across the sky, the shadow cast by a tree or other objects will move. For installation, you should select a place where the shadow will stand at noon. During this segment of the day, the sun has the strongest and most aggressive influence.
Drawings and photos of a garden swing with your own hands from a tree for a summer residence
If we talk about universal structures, then a suspended swing set on A-shaped supports will become a real recreation for the whole family. Moreover, they can be installed both in large summer cottages and in small gardens near the house. And the process itself is not costly in terms of resources, time and effort.
Note! Of course, it is much easier and faster to purchase a ready-made structure in a store. But in this case, it is unlikely to fully meet all your requirements in terms of design, size, etc. Creating a garden swing from a tree according to your own drawings will allow you to give the structure all the necessary characteristics.
DIY construction of a wooden swing for a summer residence: drawings and selection of materials
At the initial stage, materials are prepared for creating a garden swing with your own hands, the photo of which you liked the most.Based on the drawings, you can easily understand how many blanks are required to assemble the structure and what dimensions they should have.
Dimension table for creating blanks:
| Detail in construction | Dimensions of the cross section of the workpiece, cm | Final length, cm | The required number of blanks, pcs. |
| Frame part of the structure | |||
| Spacer (top) | 4.5x14 | 23 | 2 |
| Spacer (bottom) | 4.5x14 | 96 | 2 |
| Leg | 4.5x9 | 198,7 | 4 |
| Rigel | 4.5x14 | 210 | 1 |
| Seat details | |||
| Rear pillar | 3.5x7 | 60 | 2 |
| Bar (support) | 3.5x7 | 95,5 | 2 |
| Bar (for seat) | 3.5x7 | 120 | 2 |
| Armrest | 3.5x7 | 60 | 2 |
| Backrest plank | 2.5x7 | 130 | 2 |
| Armrest support | 3.5x7 | 27,5 | 2 |
| Seat strip | 2.5x7 | 128,4 | 8 |
| Upper bar | 2.5x9 | 130 | 1 |
In addition, to interconnect the above blanks into a single structure, you will need fasteners with different parameters.
Related article:
Drawings and photos of a garden swing with your own hands made of metal: dimensions and instructions for creating. Recommendations for the installation of a structure with a canopy made of cellular polycarbonate. Classification of metal products.
Additional materials for creating a family or children's hanging wooden swing
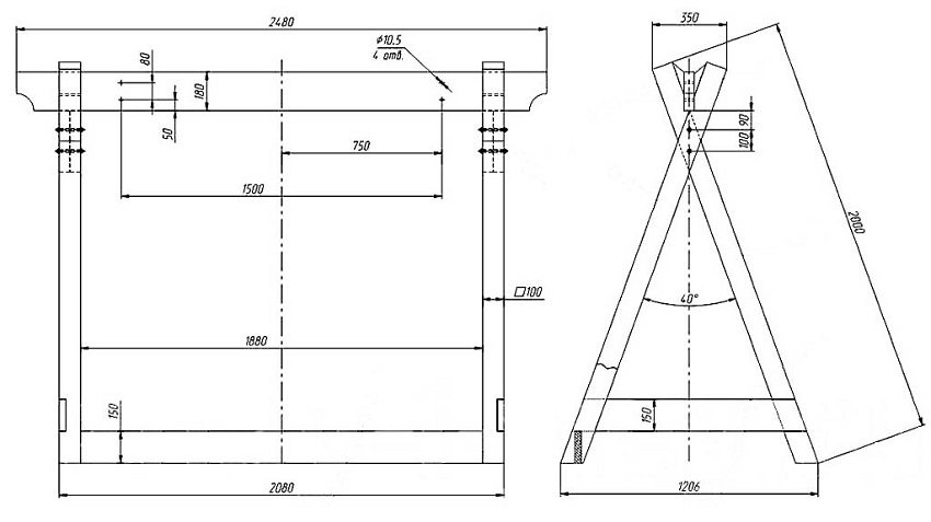
The final dimensions of the structure are: 2.1 m (width), 1.235 m (depth) and 1.9 m (height). It is recommended to use impregnated pine as a raw material.
Dimension table of fasteners:
| Fastener type | Dimensional parameters, mm |
| Galvanized screws | 8x65 |
| Screws (24 pcs.) | 8x50 |
| Wood screws | 8x38 |
| Screws (8 pcs.) | 10x75 |
| Nails (roofing) | 2.5x40 |
| Nails (convex head) | 2.5x65 |
| Screws with a square head and washers for them (8 pcs.) | 8x100 |
| Round head bolts and nuts for them (2 pcs.) | 10x125 |
| Eyebolts with washers and lock nuts (6 pcs.) | 100 |
Helpful advice! Prepare in advance a suitable wood preservative and materials for finishing. These points are thought out at the design and planning stage of the future structure.
In addition to the fasteners, you will need a number of additional materials: a pair of wooden spacers for the corner area (38 cm long), sandpaper with a grit level of 120, hooks with a safety catch (6 pcs., 5 mm), a 4.4 m chain (link thickness 2 cm).
Garden swing drawings: how to make a family structure with your own hands
It is recommended to choose the back of the house to place the swing. Even if your site is fenced off from a noisy street and neighbors, this zone will still be the most comfortable and quiet. The backyard in most cases is equipped for relaxation, and you can safely use it to install family or children's outdoor wooden swing for the summer cottage.
Marking the base of the product
To make the support, you will need to saw the crossbeam to the specified size using a circular saw. Marks are made at a distance of 15 cm from each end and a straight line is drawn. It should run along all edges on the beam. This line will be considered as the outside face for the A-shaped support.
Markings for oblique cuts should be applied to the end of the legs. For this, the square is held together with rafter pins. Mounting of one of the pins is carried out on a larger leg (at a distance of 316 mm from the corner), and the other - on a smaller one (at a distance of 97 mm from the corner). The leg is laid on the edge and marked with the positions of the square. You should have a bevel for the bottom cut.
After that, the positions of the square ruler are marked on the edge of the legs. To do this, you need to move the square in the direction along the leg to align it with the previous position of the ruler. By marking the length of the ruler, you can move the square further.
Note! This procedure is performed until the square is aligned 6 times.
The last ruler is for cross-cutting a beam. These positions are marked with straight lines leading to each of the sides of the leg. To make a pattern, you need to saw off the material on the side that is not processed.
Cutting the supporting part of the structure
To saw off the material with a hacksaw, you must first put it on the edge and clamp it in the saw box. The cut is carried out strictly according to the marking. Remember to control the parties. This is especially true for the top cut area. Sometimes it becomes necessary to align the bevel. To do this, it is enough to process the end part of the cut with a plane.
To form the second leg, you need to put the first one to it, joint to joint. After that, all the bevel and length marks are transferred to the second leg and sawn off along the markings.
Then both legs are placed on the edge so that the end parts of the vertices are located on opposite sides of the crossbeam. The lower part of the legs is pushed to the sides until a distance of 1.2 m is formed. The upper part of these parts must be in contact with the crossbar. Use a straight edge to check bevels. Make adjustments if necessary.
A distance of 50 cm is measured from the base of the legs and a lower bar is applied. Next, the lines of the legs, as well as the upper and lower parts of the bar, are transferred to the corresponding parts. After that, the top bar is placed on your feet. This must be done so that it is located 15 cm lower than the crossbeam runs, and is parallel to the first bar. The markup is carried out in exactly the same way as in the previous version.
After that, the bars are removed, and the markings are aligned on the surface. At the given points, these elements must be cut to the required length.
DIY garden swing drawings: assembling the support
The next stage of construction is to check the fit. The markings are transferred using a square to the inside of the legs.
Helpful advice! You can use these 4 pieces as a reference for the second side frame. It is assembled in a similar way.
The template is set at 22 mm and marks are made between the perpendicular lines on the inside of each of the legs.
Further actions are carried out in the following sequence:
- from the outside of the leg, a nail with a convex head (25x65 mm) is driven in;
- fitting joints and driving nails into the frame;
- hole formation with a drill, the diameter of which is 8 mm. The hole should reach the central part of the end of each bar;
- formation of a mounting hole with a drill, the diameter of which is 4.5 mm. This must be done as deep as possible into the end part of the bars;
- fastening parts through the mounting hole using square head screws equipped with 8x100 mm washers. You need to do this procedure with all the bars;
- placing the crossbeam in an appropriate place on the top of the frame;
- alignment of the frame edges with the perpendicular markings on the transverse beam;
- forming a hole with a diameter of 10 mm in the beam and in both legs;
- fixing parts with a round head bolt (125x10 mm) and a nut;
- checking the angles between the beam and the leg;
the formation of through holes in the leg with a diameter of 4.5 mm at the level of 30 mm from the bottom of the beam.Fixing parts with screws (65 mm). Similar actions are performed on the upper leg. Only in this case, other screws (38 mm) are used for fastening.
Next, you need to connect the top bar and the crossbar. The spacer is secured with a 65 mm through screw. The upper part of this element is fixed to the lower edge of the beam in the end part with a 38 mm screw in a pre-made hole (4.5 mm).
Making a seat for a garden swing with your own hands from wood
The technology for creating a seat is carried out in stages based on an L-shaped frame made of boards (40-50 mm).
Note! Do-it-yourself drawings of a children's swing made of wood are in many ways similar to conventional family-type designs. Only then can you shorten the seat by making the swing single-seater, or add multiple harnesses to secure each child on the large seat.
Step-by-step instructions for making a seat:
- 3 frame parts for the bench should be formed from the boards. They must be L-shaped. Fixation is carried out with self-tapping screws. Use carpentry tools to fit the frame to the curve of the spine. Thanks to this, you will be able to achieve a comfortable posture for your back while riding;
- frame elements should be placed along the length of the bench with the same pitch. Use a thin board to hold them together. The resulting structure will be the basis for creating a bench. The part with the vertical type of placement will be the back, the horizontal part will be the seat;
- the remaining seating area is filled with boards. Pre-drill holes in them to facilitate the process of screwing in the screws and prevent cracks. Make sure that the boards are at the same distance and have the same length;
- grind the surface with a grinding tool. Thanks to this, you can eliminate irregularities and burrs on the wood;
- secure the armrests.
Photo of a wooden swing for a summer residence with your own hands and the process of hanging
In order to suspend the seat in its lateral part (approximately in the middle), you should install the screws, complete with rings. Two more rings are attached to the bottom of the bar. These elements will be used to connect the support and the swing using hangers. In this case, chains are used.
The connecting elements between the main parts will be carabiners. The length of the hangers is set at will. The optimum height for placing the bench is 30 cm above the ground.
Helpful advice! Chains can be replaced with rope or strong rope. The rationale for this substitution is that the rope or rope produces much less noise than chains. But it is worth remembering that their service life is also reduced in comparison with metal elements. The rope stretches over time under the influence of weight loads, so periodically you will have to correct the height of the swing.
The final stage of construction
The next stage of construction will be final. In order to protect the finished structure, the swing must be treated with a varnish. It will provide a smooth surface, preserve the natural beauty of wood and extend the product's service life.
Depending on personal wishes, the swing can be painted in any of the colors you like or you can install a small canopy. Show a little imagination at this stage, and you will be able to create a unique product.
For greater comfort, can be put on bench pillows or a small mattress to reduce the firmness of the fit. It should be sized according to the size of the seat. Anyone who is familiar with the technology of making upholstered furniture can be advised to apply these skills when creating a swing. Make soft not only the seat, but also the backrest, as well as the armrests, if they are present in your design. Do not forget that soft upholstery is possible only if the product is located under a roof or a canopy.
Photos of children's swing made of wood with their own hands and how to create them
Children's design options are much easier to perform, since the requirements for weight loads for them are much lower. On the other hand, the safety standards in this case should be followed rigorously, since children are extremely mobile and can swing in various ways.
Making a kindergarten swing with your own hands: videos and various manufacturing methods
The most popular designs for a garden are considered to be a suspended swing. There are several simple methods for creating products for children.
According to the first technology, a wooden seat is used in the form of a wide and thick board. Holes are made in it (a pair on each side), where the rope is passed. This is done in such a way that the suspension is stretched into one hole, and exits from another, located nearby.
Helpful advice! In order to strengthen the structure, in order to prevent the board from breaking in the area of the holes, an additional board with cut-throughs can be installed under the seat on each side. These holes should be located exactly under those made in the seat. The rope will go through all paired holes.
The second technology involves the creation of a swing based on a frame made of wood. This element is tied to a crossbar or a tree branch with ropes, and the free space is filled with small but strong planks.
Half of the rounded log is used as a seat for the structure created by the third method. It should be cut lengthwise. This type of seat is considered to be very durable, but requires careful handling. The surface of the log must be well sanded and polished to remove knots and burrs.
The fourth option for creating a structure involves the use of a board as a seat and through metal fasteners. The assortment of modern stores offers fixing fasteners in various shapes, so you have a large selection.
In terms of design, children's swings do not impose serious restrictions. To create them, you can use any materials at hand. For example, a rope can be replaced with a chain, a wooden board used as a seat can be replaced with a chair, after removing its legs. Be sure to use bright colors, as the abundance of colors is very popular with children.












































