Each owner of a suburban area wants to have a toilet for giving odorless and pumping out. After all, there is not a centralized sewage system everywhere, and it is not a pleasure for anyone to constantly tinker with cleansing the cesspool. What methods of solving this problem exist today? Let's consider what difficulties arise as a result of maintaining a cesspool, and what modern manufacturers of systems that do not require pumping offer us.

Installing a septic tank is an excellent option for solving the problem of wastewater treatment at dacha
Content
Disadvantages of cesspools
Keeping in the yard of the cesspool is accompanied by certain inconveniences:
- The high cost of operation - the need to constantly pump out the accumulated waste, which generates regular costs.
- A very unpleasant odor can be felt within a radius of several meters from the pit.
- Over time, the tightness of the walls of the pit can be broken, which leads to the departure of untreated wastewater directly into the ground.
- If there is a cesspool on the site, you can forget about your own well, as it will be very unsafe.

Scheme building a tuatel for a summer residence and cesspool devices without a bottom and with a bottom
Undoubtedly, pumping out a cesspool is not a pleasant process. Not only is it accompanied by an unpleasant odor, but it also costs a lot of money. But as you know, demand generates supply, and today there are several options for solving this problem.
Toilet for giving odorless and pumping out: three possible options
Let's take a closer look at the three most popular and modern alternatives to a cesspool:
- Dry closets.
- Overflow plastic or concrete septic tanks.
- Modern cleaning systems.
Which method of processing biological waste to choose directly depends on the number of people and the seasonality of living in the country, your financial capabilities, as well as the conditions available on the site for placing a toilet. We will consider in detail all the proposed options and the necessary requirements for their installation.
Peat dry closet for a summer residence
A peat dry closet can solve the problem of eliminating waste without using water. According to reviews, dry closets for summer cottages are the simplest and cheapest option for solving the problem of lack of centralized sewage.Moreover, processing human waste products, such a device produces excellent fertilizer for the soil.
Toilet in the country, dimensions which is quite compact, it will be very useful, because it takes up a minimum of space. All that is needed for its work is peat for peat toilets, which can be easily purchased in the store.
The mixture is poured into the upper tank of the toilet bowl before use. The lower part, where the waste will go directly, is filled with peat so that the bottom is covered by about 1 cm.After using the toilet, you just need to turn a special handle, which is responsible for the portionwise discharge of peat from the upper container to the lower one.
The process of anaerobic mineralization allows the peat to convert the incoming waste into fertilizer, which, when mixed with the soil, forms compost and significantly improves the fertility of the soil.
According to reviews, it is enough to clean a peat dry closet for a summer residence once a month, even with regular use. The high absorption capacity of peat allows it to process up to 10 liters of liquid per 1 kg of mixture.

Peat toilet device: 1 - ventilation pipe; 2 - toilet lid; 3 - toilet seat; 4 - waste container; 5 - product body; 6 - container for peat mixture; 7 - hose for draining liquid waste
If your goal is an odorless toilet in the country, then a peat dry closet is an excellent solution.
However, as already mentioned, each device has its own nuances of installation and operation. Here's what to think about before purchasing a peat dry closet:
- the ideal place to place such a device is a utility block with a toilet for a summer residence. This will automatically solve all problems associated with possible residues of an unpleasant odor;
- some part of the liquid will evaporate from the toilet, but for the complete elimination of all liquid masses, it is necessary to equip drainage system... If you want to install a peat toilet directly in the house, think in advance where the drain hose will go.
It is important to remember that the guarantee of a good, odorless toilet in the country is the presence of ventilation in the room.
Useful advice! Forced ventilation is an excellent solution for rooms with a toilet, especially if it is used by a large number of people. By installing an axial fan in the wall, you will forever forget about the unpleasant smell in the bathroom.
Overflow plastic or concrete septic tanks
Another option for arranging a toilet in the country without connecting to a centralized sewage system is local septic installations. A septic tank is a system designed to collect and purify wastewater entering a container.
The principle of operation of septic tanks is as follows: wastewater flows through pipes into a special tank, divided into three sections. The first is the process of settling and separating the contents into fractions. In the second, the liquid is purified using special bacteria. In the third tank, the already purified water goes through the sedimentation process again, after which it is taken out to the filtration fields.
Useful advice! If the area of your site does not allow the creation of filtration fields, or for some other reason you do not want this, then it is possible to install a model with a biological filter that provides for deep cleaning. In this case, waste water is completely purified and does not require additional filtration with soil.
Modern wastewater treatment systems
Modern purification systems are essentially the same septic tanks of a more advanced design and with a large number of purification levels. Consider the most commonly used cleaning methods for local use:
- ultrafiltration;
- reagent ion exchange;
- electrochemical deposition;
- exposure to chemical elements;
- membrane reverse osmosis.
Ultrafiltration makes it possible to purify wastewater so efficiently that a closed circular water supply system becomes possible. Without the use of chemicals (chlorine, sodium, fluorine, phosphorus), this method allows water to be purified before it can be reused.
Reagent ion exchange systems allow you to make the process of water purification faster, while softening it to the desired level.
Electrochemical deposition allows the deposition of metallic impurities in the water. After that, the chemical components allow you to get rid of them.
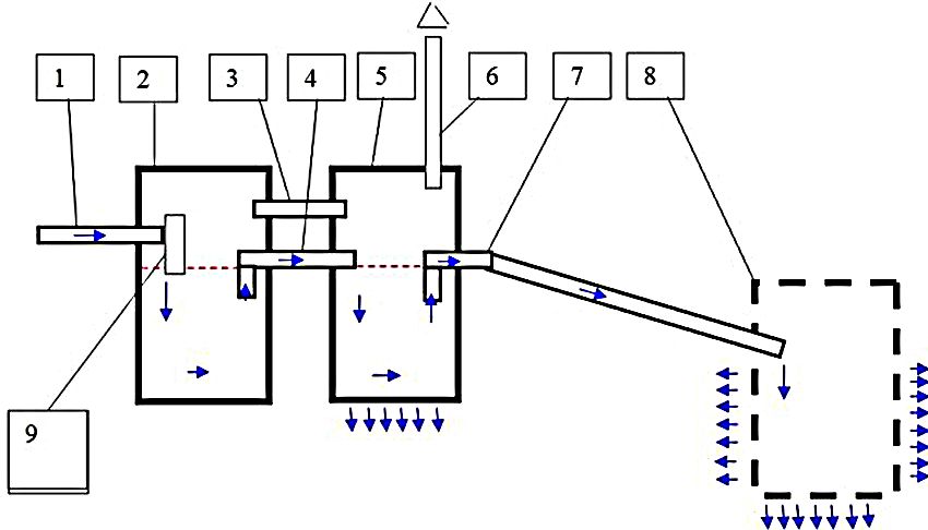
Membrane reverse osmosis is the most modern method of water purification today. It allows you to make practically distilled water from wastewater. This happens due to the passage of wastewater through a reverse osmosis membrane, which passes water molecules through its pores, while filtering out all the impurities existing in it. Almost all substances hazardous to human health, such as mercury, chlorine, nitrates, are impermeable to the membrane.

Technological scheme of wastewater treatment by the biomembrane method with post-treatment by reverse osmosis: 1 - aeration tank; 2 - membrane bioreactor; 3 - vacuum pump; 4 - intermediate tank; 5 - pump; 6 - prefilter; 7 - reverse osmosis module; 8 - blowers
How to choose a septic tank for a summer residence
Here are some tips to help you choose a septic tank to create autonomous sewerage systemnot requiring pumping:
- Before you implement the idea of creating a toilet using septic tanks, be sure to conduct an examination that will show at what depth the groundwater lies in your area. This will determine whether it is possible to make filtration fields, or whether it is necessary to take filters with a deep cleaning system.
- Be careful when choosing the volume of the tank. Calculate the daily amount of wastewater generated by all family members and household appliances.
- Consider the seasonality of your stay. Many models do not tolerate idle time in winter. The bacteria inside the reservoir are killed. Therefore, when choosing a septic tank, be sure to consider whether you plan to use it all year round or only in the summer.
Septic tank performance
Depending on the amount of liquid processed per day, septic tanks are divided into three types:
- single-chamber;
- two-chamber;
- three-chambered.
Single-chamber are used when the volume of daily wastewater does not exceed 1 m³. Two-chamber septic tanks process from 1 to 10 m³ of water per day. Three-chambers are used only for very large volumes of water, over 10 m³.
At the same time, it is important to know that according to the standards, the volume of the purchased tank should be three times the daily volume of wastewater. That is, at one time, the amount of water formed in three days of normal use must be placed in the tank.
Another important point in the functioning of septic tanks is the type of soil on the site. It depends on this whether a conventional cleaning system with filtration fields is suitable for you, or whether you have to spend money on a modern complete cleaning system. So, soil with a high clay content does not pass water well, which greatly complicates the filtration process. A high level of groundwater is also a serious reason to abandon standard septic tanks.
Useful advice! Absolutely all manufacturers of modern septic tanks with biofilters do not recommend system downtime. This leads to the death of the biomaterial and the loss of the filter's characteristics.
Related article:
Do-it-yourself septic tank without pumping out 10 years for a house and a summer residence: construction of a structure. Varieties of structures, features of construction from various materials. Construction prices.
Installing a plastic septic tank with your own hands
It is not difficult to independently install and prepare a plastic septic tank for operation. You just need to adhere to a simple algorithm:
- choose a suitable place and calculate the dimensions of the required pit;
- dig a hole of the right size;
- if necessary, provide space for filtration fields;
- install the container;
- fix the container and pipes in the pit;
- adjust the position of the pipeline system;
- check the fastening of the container and pipes.
Having familiarized ourselves with all the main points of the upcoming work, we will consider in more detail how to make a toilet in the country using a plastic septic tank. First you need to choose the right place where it will be located.
The distance from the treatment plant must be at least 6 m to residential buildings. This applies to both the toilet located in the house itself and the change house with a toilet and shower for giving... Otherwise, treated water entering the ground can have a devastating effect on the foundation of a nearby building.
In order to correctly determine the required size of the pit, it is necessary to take into account the size of the container, the height of its base and the thickness of the upper layer - the depth of the pit will depend on this. The width and length are measured taking into account the size of the container and all modules attached to it.
It is customary to start the process of laying sewer pipes from the treatment plant and to the side of the room in which the toilet itself is located. Therefore, the practical part of the installation of a septic tank begins with the preparation of the pit. Having calculated all the necessary indicators, the bottom of the dug hole is covered with a cushion of sand and gravel. The thickness of such a layer should be about 30 cm. Then a cement mortar is poured from above or a solid concrete slab is simply placed.
The same drainage sand and gravel cushion is laid under filtration fields. This mixture allows you to once again purify wastewater before its final absorption into the ground. It is important to remember that the level at which the filtration fields are located must be at least 1 m higher than the groundwater level.
After the bottom of the pit is ready, you can begin the installation of the septic tank itself. A container, previously filled with clean water by a third, is placed at the bottom of the pit. The fluid is necessary in order to prevent the reservoir from deforming under the pressure of the gravity of the soil. In this case, the septic tank cover must remain above ground level to prevent rain and melt water from entering the system.
Useful advice! It is necessary to think over the thermal insulation for the septic tank lid, otherwise, with the onset of frost, freezing of the liquid inside the container cannot be avoided.
If the groundwater level in your area is excessively high, it is recommended to lay reinforcement at the bottom of the pit, to which the container can be attached with chains. As a rule, to remove gases formed as a result of the decomposition of precipitation, a system of ventilation pipes is additionally laid.
The last stage of work is the connection of the reservoir with the filtration fields using flexible couplings and pipes. After that, the container can be filled with a mixture of sand and soil.
Useful advice! Summer and autumn are the best times of the year for such work, since the groundwater level at this time reaches its lowest point.
Country toilet without a cesspool with your own hands: a treatment plant made of concrete rings
We will analyze in detail each point of the technology for installing a septic tank from concrete rings:
- To start building a treatment plant from concrete rings, you need to purchase materials, that is, the rings themselves (9 pcs.) And sewer hatches (3 pcs.).
- When all the necessary components have been purchased, you can start digging holes. You will need three of them. In this case, they need to be arranged in one row. The required depth is 3 m, the diameter is 2.8 m.
- After all the holes have been dug, concrete cushions must be made at the bottom of the first two wells. On this, the preparatory work for the installation of the septic tank can be considered completed.
- You can start installing the system of concrete rings. Three rings are installed in each pit - one on top of the other. For this, a crane is used.
- Then the gaps between the rings are filled liquid glass, and the distance remaining between the walls of the pit and the rings is covered with earth.
Construction of a treatment plant made of concrete rings and installation of sewer pipes
In order for wastewater to easily move from one section of the septic tank to another, the following recommendations for installing the system must be observed:
- The sewer pipe that goes to the first well equipped with a cement bed must be laid at a slight angle.
- The level of the location of the second pipe connecting the first and second pit (also with a cement pad) should be 20 cm lower.
- The third pipe connecting the second and third wells should be located lower by another 20 cm.

The plan of a two-section overflow septic tank: 1 - sewer pipe from the house; 2 - the first chamber of the sump (septic tank), the bottom and seams of the septic tank must be sealed; 3 - ventilation pipe; 4 - overflow pipe with a bend (tee); 5 - the second chamber of the settling tank, the bottom of the well: sand pad 20-30 cm and a layer of rubble on top; 6 - ventilation riser; 7 - overflow pipe with a bend (tee); 8 - filtering well: the sinuses between the outer walls of the well and the walls of the pit should be filled with crushed stone, drainage holes should be provided in the interval: three bottom rings, the bottom of the well: sand cushion 20 cm and a layer of rubble on top; 9 - tee
Features of installing a toilet for a summer residence: photo of installing a septic tank from concrete rings
The installation of concrete rings for a septic tank has a number of its own characteristics and requires some costs. First you need to rent a truck and a crane. Therefore, before you start digging wells, think over how the equipment can drive up to this place.
The immersion of the rings in the hole must be done with extreme caution to avoid cracks or chips.
Pay particular attention to sealing the first two wells. Under no circumstances should untreated water seep through cracks. This will negatively affect the ecology of the site. Liquid glass and concrete cushions are your faithful helpers to solve this problem.
The bottom of the third well does not need to be concreted. There it will be enough to lay a natural filter, for example, rubble or gravel. You can also use algae or bacteria specially designed for this purpose. If it is assumed that the purified water will flow into the reservoir, then a chlorine cartridge must be placed at the bottom of the well.
The size of a septic tank made of concrete rings, like any other device with a similar principle of operation, depends on the amount of wastewater produced per day. The volume of the purifier should be three times the volume of water received in 24 hours.
Useful advice! To increase the strength and tightness of the system, concrete rings can be additionally cemented from the inside and covered with bitumen.
Which of the proposed methods of creating a toilet without the need for pumping out and an unpleasant smell you choose is not so important.The main thing is that in the end you have the opportunity to use a clean, comfortable toilet, while not thinking about the need to regularly clean the cesspool and deal with the specific smell on the site.




















