During electrical installation work, it is constantly necessary to measure electrical characteristics: current strength, resistance and voltage. It is convenient to measure these values using a tester, which must be present in the arsenal of a good owner. The article will consider such a device as a multimeter: which one is better to choose so that it meets the stated requirements, is convenient to use and has an affordable cost.

A multimeter is a combined electrical measuring device that combines the functions of a voltmeter, ammeter and ohmmeter
Content
Multimeter: which is better to choose based on technical characteristics
Every owner should have a device in the house that will measure all kinds of electrical parameters. It will help to detect a wire break, find out the voltage in the battery or outlet, check the integrity of the heating element, lamp and other electrical components.
By choosing multimeter, should be guided by the characteristics that are necessary to solve specific problems. For an electrician, a simple tester is enough for measuring voltage, checking resistance and ringing a circuit. For an electrician whose job is to maintain electrical equipment, the "current clamp" function will be useful, which allows you to measure the load during operation of the equipment without interfering with the circuit. This will prevent accidents.
Instrumentation masters will need the following functions: voltmeter, ohmmeter, ammeter, frequency meter, inductance and capacitance meter.
The device should not only be equipped with the necessary functions, but also be easy to use. For permanent use, you can opt for a pocket digital multimeter that is slightly larger than a regular lighter. If the work is carried out in one place, then it is better to choose a larger device, which will also transmit more accurate readings.
The choice of a multimeter comes down to the main criteria:
- type of device;
- functionality of the device;
- errors of work;
- design features;
- degree of protection against dust, moisture and other influences;
- electrical safety class of the device;
- manufacturer.
Features of different types of devices
All multimeters, regardless of the type of device, perform the same range of tasks.However, when deciding which multimeter to choose, you should know and take into account all the advantages and disadvantages of a particular device model.
Testers are classified into two types:
- digital (electronic);
- analog (arrow).
The electronic tester is ideal for solving everyday tasks. It is easy and convenient to work with it, because it will not be difficult to read the reading shown on the display, as shown in the photo. You can choose a digital multimeter, the price of which differs depending on the functionality of the device, in specialized stores, where various models are presented. It is more difficult to accurately determine the reading on an analog multimeter, because it changes depending on the angle at which you look at the arrow.
It is easier to work with a pointer tester for a professional electrician, who must monitor the dynamics of changes in electrical circuit indicators. A DMM does not have this function. However, it has many other features that a pointer multimeter is not equipped with. The price is formed depending on this. You can buy a digital multimeter, starting from 240 rubles.
It is not necessary to observe polarity to measure values on a digital instrument. If the display shows "-" in front of the number, then the tester was connected in reverse order. On a pointer multimeter, without observing the polarity, the arrow deviates outside the scale.
The electronic multimeter battery is consumed during all measurements that are true until the battery is discharged. In analog, energy is stored while measuring voltage and current. However, the arrow begins to deviate from zero only depending on the discharge of the battery.

Some models of multimeters are equipped with an additional function that records previous measurements.
Helpful advice! If you need to record the dynamics of measurements, but you do not want to work with a scale that is inconvenient for reading the results, you can purchase a tester with a display and an arrow.
Functionality and important characteristics of the device
When deciding which multimeter is better to buy, reviews of which can be read on the Internet, one should be guided by its functional features. After all, each new function affects the cost of the tester.
All testers are equipped with a basic set of functions:
- DC current measurement;
- alternating current change;
- checking AC voltage in the network up to 700 V and DC in circuits;
- ringing the circuit and checking the integrity of the state of the contacts;
- measurement of conductor resistance.
Some models of testers may be equipped with the following specific features (more often this applies to digital instruments):
- the ability to test semiconductor devices;
- frequency and temperature measurement;
- measuring the capacitance of a capacitor;

The standard function of all multimeters is to ring the circuit and check the continuity of the contacts
- test signal generation function;
- power off timer;
- automatic display backlight;
- automatic determination of permissible measurement limits;
- fixation function.
One of the most important characteristics of this device is the accuracy of all measurements, which is determined in the device error. This indicator should be in the range of 0.025-3%. Multimeters for household use can be selected with an error of 3%, and for professional purposes it is better to choose the most accurate instruments. This metric will affect how much the multimeter costs. The price of a more accurate device will be at least 800 rubles, and a simpler one will cost 240 rubles.
For more accurate results, the instruments can be equipped with an automatic measuring range selection function. There are models in which this can be done manually.
Another important indicator is the display capacity, which is characterized by the ability to display a certain number of decimal places on the screen. Depending on this, devices can be with a capacity from 2.5 (0.01) to 6.5 (0.000001).
It is important to know! It should be borne in mind that no matter what bit depth the device has, the accuracy of all measurements will depend on the tester's error indicators.
Most of the testers are powered by 9 V krone batteries. This charging option is suitable for periodic use of the device. If it is used for continuous operation, then a li-ion battery should be preferred.
Helpful advice! If all measurements are constantly carried out at one workplace, then it is advisable to power the device from the mains. To do this, you need a voltage converter from 220 to 9 V.
The specificity of the operation of the device is influenced by its electrical safety class. CAT I class multimeters are designed to operate in low voltage networks. CAT II testers are used in household electrical systems. CAT III devices should be used in networks inside buildings and structures. And the measuring devices CAT IV are intended for outdoor distribution work.

When using a multimeter, you should pay special attention to the safety rules, which can be found in the instructions for the device.
How to use a digital multimeter
To measure the voltage in a home socket, set the switch to the ACV position, insert the black probe into the COM connector, and the red one - VΩmA. If the estimated value is unknown, measurements should be started from the maximum value - 750 V. If "0" appears, then you should go to the scale with a lower voltage level. For DC voltage measurements, such as wiring in a car, set the switch to DCV mode.
To measure the current strength, you first need to know what kind of current is present in the circuit and its approximate value. It is important to select the correct connector for the red probe.
Helpful advice! In order not to cause the device to malfunction, without knowing the value of the current, insert the red probe into the 10 A connector. set the required measuring range.

Digital instruments are more convenient to use, as they are usually equipped with more useful functions than dial gauges.
The safest for the device is voltage measurement. To do this, simply set the rotary switch to the Ω position and take measurements. It should be remembered that the power in the circuit must be turned off, otherwise the device will show an incorrect value. If the display shows "0", you should set the multimeter to a lower measurement range. If the display shows one of the values, "OL", "1" or "OVER", this indicates an overload of the device. In this case, you must set the switch to a higher range.
With a multimeter, you can ring an electrical circuit. To do this, turn the switch to the required position and connect the red probe to the VΩmA connector. In case of a closed circuit, the tester will beep. Please note that the section of the circuit that you plan to ring out must be disconnected from the power supply.
Rating of multimeters most demanded by consumers
When the question is which multimeter to choose for home and car, the choice is obvious. One of the best budget testers is the Chinese-made DT-830B. A small multimeter, it has a set of necessary functions that a home craftsman will need.

The basic equipment of the DT-830B multimeter includes probes, a K-type thermocouple, a 9 V battery, instructions and a warranty card
It is suitable for measuring voltage in an electrical network between two points, resistance, current values. With it, you can check the integrity of a semiconductor diode by determining its voltage, ring the circuit with a resistance of up to 5 ohms, test a semiconductor transistor, measure inductance and electrical capacitance. The best multimeter for home DT-830B can be bought for 250 rubles. The device is protected against loads, and it is powered by a 9 V krone battery.
Many beginners have a question: how to use the DT 830B multimeter? Everything is extremely simple, the main thing is to clearly follow the instructions for the device, which describe in detail all the actions necessary to measure a specific physical quantity. For example, for wiring in an apartment or determining an open circuit in the network, it is necessary to measure the resistance. For this, the rotary switch is set to the appropriate position. If the instrument beeps, the circuit is closed. If there is no signal, this indicates an open circuit or the resistance value exceeds 50 ohms.
Related article:
Voltage stabilizer 220V for home: guarantee of uninterrupted operation of household appliances
Types and characteristics of devices. Instrument selection criteria. Calculation of the power of the stabilizer. Choosing the right model.
When measuring current, it is very important to know how to use a DT 830V multimeter with a large value. Incorrect placement of the red probe can damage the internal fuse of the instrument. You should also switch modes carefully. If the switch is mistakenly set to DCA to measure voltage, you can create a short circuit in your own hands.

Probes for the DT 830V series multimeter can be purchased separately, which makes it easy to replace them in case of breakdown
The device may fail if it is turned on incorrectly or if contacts are lost. Repair of the DT 830B multimeter begins with checking the power supply to the device. Then you should check the performance of the microcircuit. It is operational if the voltage is 3 V, and there is no break between its common terminal and the power supply. The fuse often fails and must be replaced with a new one. Do not work with probes that have damaged insulation. For your own safety, you should buy silicone probes for a multimeter, the price of which starts from 50 rubles.
Enhanced DT Series Models
Instructions for use of the DT 832 multimeter are identical as for the previous model. This model has an additional built-in signal generator. The tester has a fuse that protects the device from overloads.
The instructions for the DT 832 digital multimeter clearly indicate the limit values for each measurement range that cannot be exceeded and the accuracy of their determination. The device can measure:
- direct current in the range from 200 μA to 20 A;
- variable voltage from 200 V to 750 V;
- constant voltage from 200 mV to 1000 V;
- resistance from 200 Ohm to 2 MOhm;
- gain of transistors;
- continuity of connections.

The DT 832 multimeter is ideal for home use, as it is simple and convenient to use, and also equipped with all the basic and necessary functions.
How to use the DT 832 multimeter to measure the gain? For this, the transistor must be connected to the corresponding connector of the device by setting the limit switch to the hFE position. In this case, it is necessary to strictly observe the conductivity and cycling of the transistor.
According to the DT 832 multimeter circuit, the device is based on an open-frame microcircuit, the crystal is directly soldered to the printed circuit board. There is a source of stabilizing voltage of 3 V. If it fails, the device cannot be repaired.
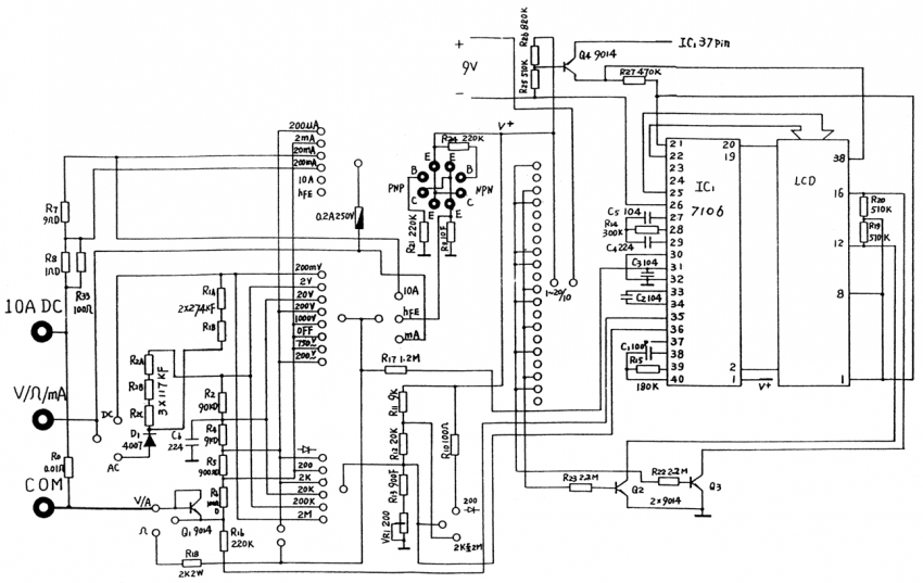
Another popular model is the Resant DT 838 multimeter. This device allows you to measure AC and DC current, resistance, voltage, temperature and perform sound sweep of the wire. It can operate at temperatures from 0 to +40 ºС. The tester measures the indicator not once, but 3-4 times. From the results obtained, he selects the average indicator that is displayed on the screen.
To understand the operation of the device, you should study in detail the circuit of the DT 838 multimeter, which is given in the instruction manual. In addition to the basic parameters, the device can measure temperatures up to 1300 ºС using an external sensor. To do this, you must select the appropriate mode, and instead of the probes, connect the thermocouple, which is included in the kit. It is necessary directly to determine the temperature of the object; in its absence, the device displays its internal temperature.
Do-it-yourself repair of the DT 838 multimeter should be based on the device diagram. The following indicators indicate a malfunction of the device:
- The bit point flashes continuously. Here you need to check the location of the ball in the switch, which should fit snugly against it.
- If the results blink during the resistance measurement, in other modes the device is working properly, this indicates a malfunction of the resistor R18 or the transistor Q1 (according to the DT 838 multimeter circuit).
- If the device displays false readings, an R33 open circuit has occurred.
- If the readings flash during current measurement, the resistors R0 and R1 are faulty.
A detailed repair process for the DT 838 multimeter, the diagram of which clearly displays the principle of its operation, can be read on specialized sites on the Internet.
Other popular testers
The next in the ranking is the compact digital multimeter RM 101, which is considered a semi-professional instrument. It has a large LCD screen on which readings are clearly visible even from a distance. The instrument automatically determines the measuring range. In addition to standard capabilities, the device can measure the capacitance of capacitors.
The multimeter has an auto power off function and a sound alert. The tester is powered by two AAA elements. You can buy a digital multimeter for 1500 rubles.
The simple DT 830 multimeter was replaced by the DT 9208 A digital tester, which combines high functionality and affordable price.
The multimeter has an extended measuring range and is used for measurements:
- DC voltage in the range of 200 mV, 2 V, 200 V and 1000 V;
- AC voltage - 750 V, 200 V, 20 V;
- resistance and circuit integrity;

The DT 9208 A digital tester includes a battery and test leads, which allows you to use the device immediately after purchase
- DC current in the range of 20 mA, 200 mA, 20 A;
- alternating current - 200 mA, 20 A;
- frequencies in the range of 2 kHz - 200 kHz;
- temperatures from -40 to 1000 ºС;
- parameters of transistors and diodes;
- capacitance of capacitors.
The device is equipped with an off timer that saves battery capacity and switch life.
The principle of operation of the device is the same as that of the previous analogs. If the display shows a "!" Next to the instrument sockets, this indicates that the input voltage and current are higher than the specified values. Such notice is intended to prevent damage to the instrument circuitry. Before any measurement it is necessary to set the required range using the switch. If the symbol "1" appears on the display, which indicates an overload of the device, it is necessary to switch it to the upper limit. The price of DT 9208 A is 700 rubles.
The Mastech MY68 multimeter allows you to measure AC and DC current and voltage, resistance, frequency of a sinusoidal signal, check the capacitance of capacitors and the operation of semiconductor networks, determine the gain of bipolar transistors, ring out electrical circuits. The mnemonic scale at the bottom of the display shows the received data in a linear form.
The instrument has a high input impedance, which indicates high instrument accuracy.The multimeter automatically determines the measurement limit of physical quantities. The "hold" button allows you to hold the last received value. The tester is equipped with a system to automatically turn off the device if it is inactive for 40 minutes. Choosing a digital multimeter, the price of which is about 1200 rubles, is worth it for professional use.
The choice of a measuring device should be based on the area of its further use. If the multimeter will be used exclusively for domestic purposes, then conventional models should be preferred. For specialized measurements, you should purchase a multifunctional and high-precision instrument.












