A non-return valve is an indispensable element of the equipment of autonomous pumping stations, which ensures a constant direction of movement of the medium. The water pump check valve shuts off a section of the pipeline, pump, or other equipment in the event of an emergency. The device works automatically from the energy of the working medium, and is a direct-acting valve.

Check valve necessary for the smooth operation of the water supply system
Content
Purpose and principle of operation of the check valve for water
The purpose of the check valve is to protect the water supply system from critical changes in flow parameters. Draining water into well or well, when the pump stops, leads to reverse spinning of the impeller, and damage to the unit.
The valve actuator prevents the return flow of water, protects the piping system and plumbing equipment from water hammer. The spring-loaded sealed shutter of the water return valve keeps the pipes full, improves the efficiency of submersible and self-priming pumps.
The design and material of execution of protective fittings, which are used for autonomous water supply systems, takes into account the existing regulatory requirements. Technical characteristics (nominal, working, test and closing pressure, connection diameter, conditional throughput, tightness class) are indicated by the manufacturer in the technical data sheet of the products.
The nominal bore of spring check valves for household use is 15 ÷ 50 mm. Compact protective devices provide high throughput, operational reliability, low noise level in the working position.
Important! The spring tension opposes the flow force. Opening the valve decreases the pump pressure by 0.25 ÷ 0.5 atmospheres.
Back pressure valve device
Brass is the material for stamping the elements of the prefabricated body. The alloy is resistant to aggressive substances (oxygen, mineral salts, sulfur, manganese, iron compounds, organic matter, etc.), which are dissolved or suspended in water.The outer surface of the product is electroplated (nickel plated).
Spool parts are made of copper-zinc alloy or high-strength polymer. The material of the sealing gasket between the locking discs is rubber or silicone. The spring is made of a special grade of stainless steel.

The device of a polypropylene spring check valve: 1 - body, 2 - plug, 3 - threaded insert, 4 - stem with spool plate, 5 - slide washer, 6 - spring, 7 - plug sealing ring
General structural elements of spring-loaded check valves:
- a split body (elements of a coupling connection with an internal thread at the inlet and outlet, a spool chamber);
- working body - a movable spool consisting of a stem, two spool plates and a sealed interdisk gasket;
- the closing actuator is a spring that is located between the valve discs and the seat (stop in the body of the body).
The working body of the check valve reciprocates in the spool chamber. The poppets slide over the spool stem. The flow is distributed over a channel that has a constant cross section. Water washes evenly over the locking body from all sides.
If the pressure of the flow exceeds the resistance of the spring, then the movable part of the valve opens a gap for the passage of water in a given direction. When the overpressure before and after the safety device is equalized, or the set pressure after the valve is exceeded, the spring moves the poppets into the seat.

To install an autonomous water supply, you will need a check valve, a ball valve, a pressure gauge, fittings and other accessories.
Check valve spring clutch
The collapsible cylindrical body consists of two parts with a threaded connection. The slide valve is formed from a plastic stem, upper and lower brass poppets. The valve elements are separated by a hermetic sealing gasket. The tension in the steel spring opposes the flow pressure through the spool poppet.
Spring-loaded coupling check valve with brass spool
A distinctive feature of the water check valve device with a spherical shape of the spool chamber is a large flow capacity compared to traditional fittings.

Spring check valve device with brass spool: 1 and 2 - nickel-plated brass body, 3 - movable spool, 4 - spring, 5 - brass spool plates, 6 - EPDM gasket
Combined spring-loaded check valve with drain and air vent
A branch pipe with an internal thread for the air vent is installed on the body, above the receiving area of the spool chamber. The air is vented using crane Mayevsky.
A drain pipe with an internal thread and a plug is located on the opposite side of the body, at the outlet of the check valve.
Related article:
Pumping station for a private house: water supply for a suburban area. Equipment selection, characteristics and installation. The advantages and disadvantages of the systems. Review of the best manufacturers.
When mounted vertically, the device allows water to be drained downstream of the valve and air plugs removed from the pipeline upstream of the shutter. When the combination device is installed horizontally, the bleed pipe is used to install the pressure gauge.
The combined check valve reduces the number of mounting connections, reduces the total hydraulic resistance of the valve, increases the reliability of the system, and facilitates the installation and maintenance of the system.
Check valve spring with polypropylene body
Check valves in a propylene housing are used for water supply systems made of propylene pipes. Externally, the fitting resembles an oblique outlet. Protective propylene fittings are connected to the pipeline by polyfusion welding.For the convenience of servicing the one-piece connection, the seat and the shut-off spool mechanism are removed from the perpendicular plane of the spool chamber. The design position allows you to get the valve locking mechanism for cleaning and repair, without violating the integrity of the body and system.
In the main pipelines of centralized water supply, petal, poppet, leaf, ball and interflange check valves are used. Flanges and flanges on tie rods are used to connect large diameter fittings. For the installation of check valves in a pipe distribution made of propylene pipes, contact heat welding is used.
Rules for installing a check valve on water
Protective fittings are used in autonomous water supply systems, in-house water supply networks in apartment buildings, with separate centralized supply of cold and hot water. Check valves are installed on the suction line of surface and submersible pumps, before water meters, boilers, storage water heaters.
Spring-loaded water back pressure valves do not have rubbing surfaces, so they can be installed in any position (vertical, horizontal or inclined). An arrow on the product body indicates the direction of movement of the medium, its vector must coincide with the mounting position of the protective valve.
The device needs regular maintenance. Install a check valve in a place accessible for cleaning, revision, repair or replacement.
Check valve for water pump or pumping station
For pumping stations, a non-return valve is a mandatory element, however, a safety shutter is not included in the pre-sale package of a household unit. When buying a check valve, pay attention to the connecting dimensions of the device.
Check valves for submersible pumps
If protective fittings are installed on the suction line of the pipeline, then its diameter must match the diameter of the pipe. When installing the valve on the suction port of a submersible pump, the dimensions of the parts must ensure the tightness of the connection.
Important! The deposition of mechanical impurities of the flow on the inner surfaces of the valve limits the throughput of the device and violates the tightness of the valve.
Protective valve manufacturers have taken care of how to install a check valve on the pump:
- before the check valve for the water pump, it is recommended to install filters for coarse mechanical cleaning;
- modern models of deep and borehole pumps Equipped with direct-acting protective fittings at the equipment development stage;
- special protection is required for the inlet check valve for the borehole pump, which is installed on the suction line from wells, wells or an open reservoir. A mesh or perforated stainless steel yoke is threaded to the check valve.
Check valves for pumping stations
A check valve for a surface pumping station performs the same function as a protective device for a downhole unit. The difference lies in the fact that the device is installed on the suction port of a self-priming pressure blower.
Diy water check valve
Do-it-yourself assembly of a check valve is theoretically possible. A consumable set of fittings is purchased from the plumbing department of your nearest hardware store.
To embody creative ideas you will need:
- female tee (check valve body);
- male threaded coupling (forms a seat for the valve);
- steel spring of sufficient rigidity, of a suitable diameter and length (for free movement of the coils inside the tee);
- steel ball, the diameter of which is slightly less than the nominal bore of the tee;
- blind plug - spring stop ("dad");
- thread sealant (fum, flax);
- set of plumbing keys.
The water flow enters from the sleeve side and changes direction at the outlet at an angle of 90 °.
The difficulty of self-assembly of a check valve lies in the choice of the actuator and parts. If the tightness of the joints provides experience and skills in the production of plumbing work, then the quality of the component parts is difficult to guarantee.
For the actuator of the factory check valve, special spring steel is used. The movement of the spring-loaded locking discs duplicates the guide rod. Valve materials are compatible during equipment operation. The technical parameters of the products comply with the requirements specified in the generally accepted regulatory documents. The manufacturer provides a guarantee for its products.
Important! It is impossible to ensure the reliability and quality of operation of a home-assembled check valve.

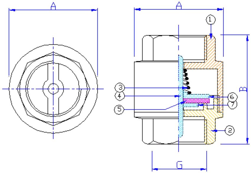
Dimensions and principle of operation of the coupling spring check valve: 1 and 2 - body; 3 - spring; 4 - plastic stem; 5 - sealant; 6 - top plate; 7 - bottom plate; A - 34.5-79 mm; B - 46-80.5 mm; G - 1 / 2-2 ″
Water pump check valve price
Prices for existing protective fittings depend on the manufacturer's brand, capacity (diameter) and design modification of the valve. The cost of main valves exceeds the prices of household devices dozens of times.
Comparative table of prices for water check valves from different manufacturers:
| Manufacturer | Diameter, mm | Price per piece, rubles |
| Check valve polypropylene | ||
| Piping systems AQUA-S | 20 25 32 |
110,00 136,00 204,00 |
| VALTEC (Italy) | 20 25 32 |
128,00 160,00 274,00 |
| Check valve spring clutch | ||
| VALTEC (Italy) | 15 20 25 |
191,00 263,00 390,00 |
| Danfoss CO (Denmark) | 15 20 25 |
561,00 735,00 962,00 |
| Teсofi (France) | 15 20 25 |
282,00 423,00 563,00 |
| ITAP (Italy) | 15 20 25 |
366,00 462,00 673,00 |
| Combined spring-loaded check valve with drain and air vent | ||
| VALTEC (Italy) | 15 20 25 |
652,00 1009,00 1516,00 |
| Spring-loaded coupling check valve with brass spool | ||
| VALTEC (Italy) | 15 20 25 |
228,00 198,00 498,00 |
Analyzing the information presented on the websites of official representatives and companies that produce protective fittings, we can conclude: check valves for water for pumps increase the level of reliability and quality of operation of autonomous water supply systems.













