Polypropylene pipes are popular due to the affordable price and quality of the material. Low thermal conductivity of polymer keeps temperature coolant... The low equivalent roughness of the inner pipe walls does not reduce the flow rate. Simple assembly technology allows you to quickly mount heating in a private house from polypropylene pipes with your own hands.
Content
- 1 Technical characteristics of polypropylene pipes for heating
- 2 The price of propylene pipes for heating
- 3 Polypropylene pipes in the water heating scheme of a private house
- 4 Resistance heat welding production rules
- 5 Polypropylene water heating schemes for a private house
- 6 DIY heating in a private house from polypropylene pipes
Technical characteristics of polypropylene pipes for heating
The abbreviation, with information on the operating parameters of the product, is applied to the pipe walls. Basic marking of polypropylene (PP) complies with international standards:
- manufacturer's logo;
- letter designation and addition about product modification (PP-random, PPRC, PPs);
- nominal pressure (PN25 MPa) of the working medium;
- outer diameter and size of the product wall;
- service class;
- maximum permissible operating pressure in bar, which indirectly indicates the service life of the product;
- product standard.
A description of the design features, purpose and scope of the product is given by the manufacturer in the technical data sheet of the product. The table, as an example, gives data on the products of the manufacturer VALTEC (Italy):
| Class | Place of application | Working pressure, bar | |
| Fiberglass | Aluminum | ||
| 1 | Hot water supply, Т = 60 ° С | 13 | 14 |
| 2 | Hot water supply, Т = 70 ° С | 10 | 11 |
| 3 | Warm floors, Т = 50 ° С | 14 | 18 |
| 4 | Warm floors, Т = 70 ° С | 10 | 13 |
| 5 | Radiator heating (taking into account the type of pipe reinforcement: aluminum foil T = 90 ° C, fiberglass fiber T = 90 ° C) | 6 | 9 |
Products with an inner insert of aluminum foil are used mainly for heating. Reinforcement of polypropylene pipes with fiberglass also allows their use in radiator circuits, warm floors and hot water supply of private houses. However, pipes with an inner layer of fiberglass fibers allow slight elongation of the linear sections when heated and oxygen permeability.
Technical characteristics of reinforced polypropylene pipes (manufactured by VALTEC):
| Physical properties | Aluminium foil | Fiberglass fiber | ||||
| Pipe diameter and wall thickness, mm | ||||||
| 25x4.2 | 32x5.4 | 40x6.7 | 25x3.5 | 32x4.4 | 40x5.5 | |
| Inner diameter | 16,6 | 21,2 | 26,6 | 18 | 23,2 | 29 |
| Nominal pressure, PN, bar | 25 | 20 | ||||
| Mass of a running meter of a pipe, kg | 0,262 | 0,446 | 0,880 | 0,235 | 0,378 | 0,590 |
| Density PPR, g / cm³ | 0,91 | 0,91 | ||||
| Pipe filling, liters per 1 pgm | 0,217 | 0,353 | 0,556 | 0,254 | 0,423 | 0,660 |
| Specific heat at kJ / (kg * ºС) | 1,75 | 1,75 | ||||
| Tensile strength, MPa | 35 | 35 | ||||
| Oxygen permeability, mg / m2 per day | − | <3.6 at 80 ° C | ||||
| Equivalent roughness of the inner surface, mm | 0,01 | 0,015 | ||||
| Linear increase in length 1 / ºС | 3.1x10-5 | 6.2x10-5 | ||||
| Thermal conductivity coefficient, W / (m * ºС) | 0,24 | 0,15 | ||||
Fittings and valves for heating systems made of polypropylene are made of a random copolymer similar to the material of pipes. Non-threaded elements are designed for connection into a socket, in which the pipe is inserted into the body fitting... The inner diameter of the fittings (90º and 45º angles, couplings, adapters, tees, crosses and valves) corresponds to the outer diameter of the pipe. Linear temperature expansion is offset by ready-made expansion joints or self-made welded structures.
Clamps (single and blocks of clips) are intended for fastening straight, horizontal or vertical sections of the pipeline along the walls. The step of installing the fasteners (recommended by the manufacturer) depends on the size of the pipe and the quality parameters of the coolant. Clamps made of similar raw materials are designed for fastening large diameter PP pipes. The mount can be rigid or floating, with a small clearance to allow free play during thermal expansion.

Reinforced pipe structure: 1 - polypropylene; 2 - aluminum foil; 3 - polypropylene; S is the total thickness of the pipe; S1 * - thickness of the main pipe; d is the outer diameter; dy * - outer diameter of the main pipe
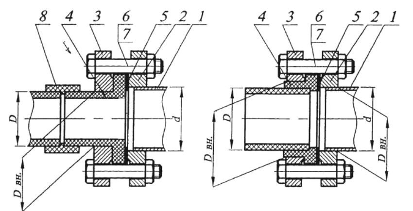
The connection to steel pipes or fittings is obtained using combined fittings. Collapsible fittings (American) for the transition from metal to polymer are produced with an internal or external thread made of galvanized metal on one side, and a propylene insert on the other.
A set of fittings and fittings is selected individually for each room in the house. The number and brands of fittings depend on the configuration of the heating system and the type of heating equipment.

Connection of polypropylene and steel pipes: 1 - steel pipe; 2 and 3 - steel flange; 4 - collar sleeve; 5 - gasket; 6 and 7 - fasteners; 8 - coupling
Important! The passage of PP pipes through walls and interior partitions is decorated with a bushing, which will allow the structure to move during thermal expansion and prevent abrasion of the material. A gap of the compensation stroke is left between the surfaces of the inner corners of the walls and the rotary assembly of the PP pipeline. An increase in the lengths of linear sections should not cause ultimate stresses in welded joints.
The price of propylene pipes for heating
The cost of the product depends on the purpose and manufacturer. Well-known domestic manufacturers specializing in the production of reinforced PP pipes: Sinikon and YarInterPlast.

Depending on the diameter and type of reinforcement, the price of a polypropylene pipe will be from 21 to 80 rubles per running meter
PP pipes of the PN25 MPa brand are used for heating. The price of polypropylene fiberglass-reinforced pipes is lower than for products with an internal aluminum frame (by about 10%). The difference is explained by the guaranteed service life of the product, the permitted temperature of the heating medium and the operating pressure of the system.
Average cost of polypropylene pipes for heating (price per meter):
| Pipe diameter, mm | Manufacturer country | Service class / type of reinforcement |
Price, rub / pgm |
| 25 | Italy | 5 / aluminum | 33,75 |
| 32 | Italy | 47,25 | |
| 40 | Italy | 79,50 | |
| 25 | Italy | 5 / fiberglass | 23 |
| 32 | Italy | 42,25 | |
| 40 | Italy | 60,50 | |
| 25 | Turkey | 4 / fiberglass | 21,99 |
| 20 | Turkey | 5 / aluminum | 21,52 |
According to the reviews of professionals, polypropylene pipes for heating are the best option for autonomous systems. Homogeneous brazed design without threaded connections and metal fittings is easy to install and convenient to operate.
Polypropylene pipes in the water heating scheme of a private house
The piping transmits the flow of heat energy from the boiler to the heating devices. Water is a traditional heat carrier for heating systems for country houses.The amorphousness of the polymer to an aggressive environment under the influence of high temperatures is the key to the durability of pipes. The inner surface of the pipes offers negligible resistance to directional flow. The impurities contained in the coolant in suspension (organic matter, compounds of hardness salts, scale, sand particles) do not form deposits on the walls of polypropylene pipes. Aluminum-reinforced products prevent oxygen from entering the heating system from the pipeline. A layer of foil-clad metal reduces the risk of corrosion of the boiler heat exchanger, increases the service life of the system as a whole. Numerous materials, diagrams, videos of DIY heating in a private house can be easily found on the Internet.
Emergency freezing of pipe lines does not threaten the destruction of polypropylene pipes. After defrosting the water, the material restores its original properties. However, it should be remembered that it is impossible to heat PP pipes with an open flame!
The increase in the linear dimensions of the pipe during heating is perhaps the only significant drawback of polypropylene products. Reinforcement with aluminum foil significantly reduces the rate of thermal expansion and increases the class of pipes.
Important! In country houses, antifreeze is not used for propylene heating systems (the permitted material of pipes for the non-freezing coolant is steel, copper, brass and plastic, with a rubber outer loop).

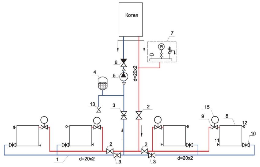
Heating scheme: 1 - polypropylene pipes; 2 - ball valve; 3 - direct-flow radiator valve; 4 - expansion tank; 5 - circulation pump; 6 - check valve; 7 - security group; 8 - radiator; 9 - thermostatic valve; 10 - radiator valve; 11 - plug; 12 - Mayevsky crane; 13 - ball valve; 14 - plug; 15 - thermostatic head
Considering that the optimal pressure in the circuit of a domestic boiler is 1.5 ÷ 2 bar, the heat source is as close as possible to the consumer and the temperature in the residential building does not fall below 5 ° C, we conclude: polypropylene reinforced with aluminum is an ideal material for piping in a private house.
Resistance heat welding production rules
Installation of polypropylene heating systems is carried out at a room temperature of at least 5 ° C. Consumables for heat sealing (accessories) must meet the purpose (PPRS).
The sequence of operations in the manufacture of units at the place of work:
- pipe cut is made with special scissors according to preliminary marking on the body;
- preparation of the cut surface includes chamfering to a depth of 1 mm at an angle of 30 ° and degreasing the pipe end with acetone;
- marking the boundaries of the melt - a limiting risk is applied to the end of the pipe with a pencil;
- processing of working surfaces of a soldering iron;
- heating the tool;
- melting of parts (with holding time ranges of pipe diameters according to the instrument passport, and alignment of parts with the iron body);
- docking of a node without displacement and rotation of elements;
- cooling.
The size of the embedded section of the pipe for heating:
| Diameter, mm | 20 | 25 | 32 | 40 | 50 |
| Distance from the end, mm | 14,5 | 16 | 18 | 20,5 | 23,5 |
Time schedule for manual thermal welding (standard values):
| Pipe outer diameter / fitting inner diameter, mm | Time, s | ||
| Contact with the nozzle | Docking | Cooling | |
| 20 | 5 | 4 | 120 |
| 25 | 7 | 4 | 120 |
| 32 | 8 | 6 | 240 |
| 40 | 12 | 8 | 300 |
The voltage of the electric current in the soldering iron for polypropylene is 36V. The operation of the tool from a household network requires a circuit breaker.
After cooling of the joints, check the straightness of the joint, the uniformity of the bead of the weld and the absence of welding defects. The number of joints, when following the rules of resistance welding, does not affect the throughput of the system. Low resistance in welded parts is due to the physical properties of the material and the method of joining without reducing the flow area of the pipe.Hydraulic tests for strength and density of the PP pipe system are carried out 16 hours after welding.

Connecting pipes using special glue (cold welding)
Polypropylene water heating schemes for a private house
A non-volatile or pressure head, one- or two-pipe scheme is chosen based on considerations of efficiency and comfort. Traditionally, private houses are equipped with horizontal wiring with independent floor contours. The heating system of small houses with natural circulation is a series of radiators. Efficient heat supply of a large-area house is carried out by two-pipe wiring with forced movement of the coolant.
High-quality installation and piping of equipment is impossible without calculating the throughput and determining the diameter of the pipes at each section. The coincidence of the calculated and actual costs will reduce heat losses, ensure stable, reliable and quiet operation of the system.
With the help of an online calculator, you can do a hydraulic calculation for a one-pipe water heating scheme for a private house with your own hands. DanfossCO and OvertopCO provide calculations for indoor natural circulation heating systems. Calculations in Excel Online are summarized in a convenient tabular form. Filling in the initial data column and choosing the necessary constants (the columns are highlighted in color), we get the calculation results.
The classic method of arranging a heating system is one-pipe wiring. The installation can be explained by a thematic video of heating a private house made of propylene. With your own hands, you can quickly, accurately and cheaply perform equipment strapping.
Single-pipe systems with natural circulation operate under the influence of gravity. A slope when laying pipes and installing the heat generator below the level of the living quarters will increase the flow rate. However, when radiators are connected in series, it is impossible to evenly distribute heat. The rooms located far from the boiler do not warm up well, there is a danger of stopping circulation and boiling of boiler water.
The problem is solved by the device for heating a private house with your own hands in the "Leningrad" scheme. Videos can be found online.
Related article:
How to choose polypropylene pipes for heating. Specifications, interior design, features, markings, diameter and manufacturers. How to choose a soldering iron for polypropylene pipes.
The removal of the nozzles to the heating devices divides the flow, most of the coolant continues through the system. The flow through the radiator is controlled by installing a thermostat valve, diagonally connecting the device or changing the bypass flow area.
DIY heating in a private house from polypropylene pipes
The main components of heating are a heat generator, pipes and heating appliances. The rest of the equipment ensures the performance of the system under various loads. The equipment of the system with additional elements depends on the size of the house and the modification of the selected boiler. The set parameters of the unit operation are provided by the safety group, expansion tank with overflow pipe, blower and pressure regulator.
If the circulation pump is not built into the boiler circuit, then the blower is installed on the return line of the pipeline, in the immediate vicinity of the heat generator. The installation location of the closed-type expansion tank for heating is in front of the circulation pump. The safety group is mounted on the flow line near the boiler.
Important! A powerful boiler (over 50 kW) is connected to a polypropylene piping through metal.Experts advise to connect the high-temperature boiler circuit with the secondary circuit system through a hydraulic separator and a manifold comb, between the boiler and water gun metal pipes are mounted, then reinforced polypropylene is launched.
The concept of comfort is individual for each person. But for everyone, without exception, home is warmth. Heating is an integral part of any home. Maximum awareness in this topic will help to make a competent decision and implement it on your own.













