A grinder is a special grinding device that has an electric drive and an abrasive belt. Such a device is used for finishing metal, wood and polymer surfaces. The main thing that you need to pay attention to when assembling a grinder with your own hands: drawings with dimensions, stages of work, the choice of suitable materials.
Content
DIY belt sander: operating principle
A distinctive feature of such a device is that it has a simple design that anyone can repeat at home. The composition of such a grinding unit includes an electric motor, rollers and a working tool itself - a belt with an abrasive coating. The strip can have different grain sizes. This indicator is selected in accordance with the purpose of the tool.
When assembling a grinder with your own hands at home, you should prepare and study the principle of its operation. When the unit is turned on, the engine starts. It has a shaft that mates with the main (driving) roller. The roller begins to rotate around its axis, acting through the abrasive belt on the secondary (driven) rollers.
Grinding is quite simple with the machine turned on. To do this, you need to attach the workpiece to a moving abrasive belt. During work, it is necessary to be guided by the position of the working strip.
A do-it-yourself grinder will allow you to process workpieces from different materials. Such a unit has the ability to eliminate defects on the surface of metal, wood, and glass. Using grinders, they often adjust the rollers, which allows processing defects of different depths.
It is worth remembering that with prolonged use the sanding strip wears out, which leads to its stretching. In such units, this problem is solved very simply. One of the rollers of the device contains a special mechanism that allows you to tighten the tape. Most often, such a device is installed on a roller located between the main and secondary roller of the device.
DIY grinder design features: photo
It is recommended to take into account all the nuances of the design of factory devices. This will allow you to create the most efficient table sander. The standard equipment of this type of device includes a support table. In addition to its main purpose, this surface performs another auxiliary function: it is used to fix the workpiece being processed.
In factory devices, such a table can rotate about one axis. The swing angle is usually 90 °. This makes it possible to grind two planes of the workpiece (located perpendicularly) without changing the position of the part fixed on the rotary surface. When assembling a simple grinder with your own hands, you can make a static table. This will greatly simplify the assembly, but the finished unit will have less functionality.
There are other, no less important details that are included in the design of such machines. Consider what other structural elements any grinder used for grinding workpieces made of different materials must necessarily have:
- rollers;
- base;

The main task in the manufacture of a grinder is to find a powerful motor that will need to be equipped with a drive
- tape;
- tensioning mechanism;
- protective wall.
All these parts are quite simple to make with your own hands. The belt sander may generate dust or sparks during operation. It depends on the material of the part being processed on such a machine. Because of this, experienced craftsmen strongly recommend using special glasses. In addition, it is recommended to arrange a protective wall for the manufacture of which acrylic glass is used.
Portable units are equipped with a steel body. The grinder stand must have holes that are necessary to fix the machine to a wooden surface (by means of bolts). When choosing a tape, it is worth considering that its length depends on the power of the unit (and vice versa). The higher this indicator, the correspondingly more powerful the drive should be.
How to make a grinder with your own hands: build rules
Before starting the independent design of a grinding unit of this type, you must carefully study the sequence of actions, and also take into account some rules. The first and most important step is preparing for the assembly of the grinder. Consider what actions this item includes.

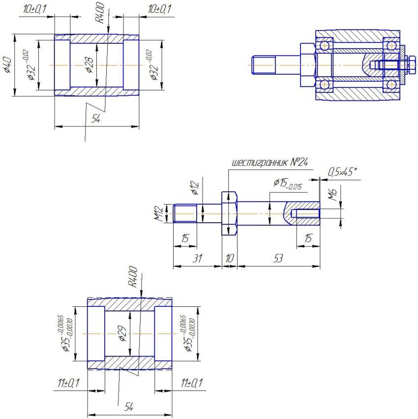
A drawing with the dimensions of the grinder is an important document on which the performance and technical characteristics of the unit will depend
First of all, you should draw up a suitable drawing. It should be remembered that the circuit must be suitable for the specific operating conditions. You can draw up the drawing yourself. The second option is to download the finished circuit from the Internet. On specialized sites and forums, you can find many modifications of such devices, the design of which is most suitable for home assembly.
The more detailed the drawing, the better. The diagram should contain a detailed description of all individual structural elements with their dimensions. A drawing with dimensions is a very important document, on which the performance and technical characteristics of the future machine will depend. Therefore, it is worth approaching its compilation with all seriousness.
You can independently make different options for grinding grinders. In addition to stationary devices, there are simpler types (for example, a do-it-yourself grinder from a grinder). A drawing and video for assembling such a device can also be easily found on the World Wide Web.
The next point to consider is the preparation of all the necessary parts and tools for assembling the unit. To design a grinder at home, you will need the following tools:
- jigsaw;
- drill;
- Bulgarian.
Note! When selecting tools, it must be borne in mind that the grinder design provides for the use of metal parts, as well as their processing.
Many parts of this grinding equipment are difficult for a beginner to manufacture. Therefore, it is recommended to study in detail the various structural elements and their features. It will also not hurt to familiarize yourself with the drawings and video. It is much easier to make a grinder with your own hands if it is possible to consult with a qualified master who can give valuable advice on this issue.
Some structural elements cannot be created with your own hands without the use of turning equipment. You don't have to do this work yourself. To make complex parts, you can use the services of a professional turner.
When making a grinder with your own hands, it is desirable to take into account one more important point. The most effective are devices that can handle not only horizontal, but also vertical surfaces. Experts recommend choosing a drawing that allows you to grind workpieces at different angles.
DIY grinder: dimensional drawings structural elements
The development of an appropriate scheme is the most important preparatory stage. The drawing can be ordered from a qualified craftsman. In this case, it will be as accurate as possible and will make it possible to manufacture equipment that will last more than one year.
How to make a do-it-yourself grinder? Drawings, videos, as well as photos of grinders at various stages of assembly - all this makes it possible to independently perform a high-quality unit.
The second option is to download the diagram from the World Wide Web. In this case, it is worth knowing that some drawings located on the Internet are not effective. Therefore, before downloading this or that scheme, it is recommended to read the reviews of real people who have already used it to assemble belt-grinding equipment.
It is also recommended to compare the diagram drawn up independently with other drawings with the dimensions of the grinder with your own hands. Videos with relevant topics allow you to quickly understand all the nuances of making such a unit. There are a lot of them on the Internet.

In order for the machine to serve for a long time, you need to order a grinder drawing from a qualified master
The diagram must be accurate and contain sketches of all structural elements of the structure. The dimensions of individual parts are indicated without fail. And, finally, the ready-made scheme can be posted on the profile forum and inquired about what inaccuracies it contains. It is possible that in this case it will be possible to get valuable advice on how to improve it.
Homemade machine grinder do it yourself: choosing the right drive
Before proceeding with the assembly of such a grinding unit, it is necessary to prepare a suitable engine. Most often, a drive is used for these purposes, the power of which is at least 1 kW. There are several factors to consider when choosing an engine. Let's consider them in more detail.
First of all, you need to understand that devices that operate on a standard network are suitable for home use. The voltage in such a network is traditionally 220 V. Higher voltage is required to use professional equipment, which is found in small businesses, but not for a device made by hand. The grinding machine grinder must be created in accordance with a previously prepared drawing.
Another important point is the number of revolutions of the drive. The accuracy of workpieces processing depends on this parameter. A certain pattern can be traced here. The higher the engine power, the more revolutions it can produce.
The most suitable drive option includes special blades in its design. Their function is to neutralize overheating that occurs during engine operation. Such a device is easy to make on your own in a home workshop.
Most often, a simple motor from a washing machine is used to assemble such grinding equipment. A do-it-yourself grinder of this type fully meets all operational requirements and is used for processing small workpieces made of metal, wood, and also plastic.
Features of making a grinder from a washing machine with your own hands
The engine power is selected depending on the dimensions of other structural elements. First of all, this concerns the dimensions of the main (leading) pulley. If the size of this element is the standard 150 mm, then you need an engine with a power that will allow you to deliver up to 3000 rpm.
Of course, you can buy a ready-made engine, but it will take extra money. The best option for home assembly is to use an unnecessary motor from the washing machine. The grinder, which is based on such a device, is certainly not able to compare with the factory one, but it is quite suitable for simple daily work.
The motor, dismantled from an old automatic type washing machine, has a low power (below 300 W). It is distinguished by good reliability and unpretentious operation. The popularity of using just such a drive is due to its widespread use.
Related article:
The drive from the washing machine must be included in the preliminary drawing. A do-it-yourself grinder at home needs an engine with an output shaft. In this case, the shaft has a threaded connection, the design of which makes it easy to do the docking with the pulley.
Note!For the assembly of grinding units, motors are suitable not only from old automatic machines, but also drives of a new generation. When using devices of the second type, it is necessary to remember that they need a device that will regulate the number of revolutions. This is due to the fact that the maximum rotational speed of such drives can reach up to 18 thousand rpm.
The new generation drives have one significant drawback. With the active use of grinding equipment, a rather rapid wear of the motor brushes occurs.

The grinder, which is based on the motor from the washing machine, is not able to compare with the factory unit
When designing a grinder with your own hands from an engine from a washing machine, you must also take into account that such a drive is best suited for a small unit. Therefore, it is worth choosing in advance the optimal dimensions of the leading and secondary rollers.
Making grinder rollers with your own hands: drawings
The design of rollers for this type of grinding unit is a serious step that requires care and accuracy. One of the most important elements of a grinder is the main roller. It must be remembered that its dimensions must be larger than the dimensions of the remaining rollers.
It is no coincidence that the leading roller has such geometrical characteristics. This size allows you to avoid unwanted jerk that occurs during the starting torque. It is also important to understand that for the manufacture of this structural element, in no case should materials that have a large mass be used. Such materials include:
- steel;
- cast iron.
Before you start creating the videos, you need to prepare the corresponding dimensional drawings. A belt grinder with your own hands should have light and convenient small rollers. This is usually sufficient to carry out simple sanding work.

When assembling the grinder yourself, it is important to position the rollers perpendicular to each other in order to avoid belt distortion
To reduce the weight of the drive roller, a steel piece with a cavity can be designed. There are special reference books that allow you to carry out the calculations necessary for this procedure.
The second option, which is most often used by home craftsmen, is the use of duralumin. This material is lightweight and ideal for this purpose. It contains impurities of copper and magnesium, which provide increased alloy strength. To assemble the grinder, it is customary to use duralumin grade D16 and higher.
How to make do-it-yourself rollers for a grinder? Experts recommend making a groove on the pulley located at the end. Its dimensions are selected taking into account the size of the abrasive belt that will be used in the machine. This measure is aimed at preventing slipping of the tape during the operation of the equipment. It is advisable to do the same manipulation with the remaining rollers.
The roughness of the rollers is very important. The surface of the rollers can have different levels of roughness. When assembling a grinder, it is recommended to use rollers in which this indicator is in the range from 1.25 to 2.5. A table containing information on the degree of roughness of parts can be easily found on the Internet. A do-it-yourself grinder pulley is mounted on equipment by means of bearing assemblies.
In this case, closed-type bearings are used, which have a static outer ring and are classified as self-aligning. The installation of such elements eliminates the possibility of abrasive or any other foreign particles getting on the roller shaft.
When choosing bearings, it is imperative to take into account their bearing parameters. These indicators determine how much load the part can withstand. The higher the number of revolutions of the unit, the more reliable the bearings must be. It is not recommended to deviate from dimensional drawings during work. The belt grinder, made in accordance with the scheme, will have a higher efficiency as well as a longer service life.
How to fix the video in the device? The easiest way at home is to use standard cotter pins to secure the roller. Another mounting option is the use of a shoulder (at one end of the axle).
Characteristics to be met by a belt for a grinding unit
The selection of an abrasive strip is an important step during the assembly of a mini grinder with your own hands. First of all, you need to decide on the length of the tape and its width. The geometric parameters of the strip are influenced by two main factors:
- grinder dimensions;
- the purpose of the unit.
Endless abrasive belts are also classified into types based on grain size. The length of the sanding strips can be different (from 610 to 1830 mm). Such tapes are 50 or 100 mm wide. The first option is most often found in units assembled by hand at home.
A high-quality abrasive strip must necessarily have an elastic fabric backing. When choosing the right tool, you also need to pay attention to how many revolutions the strip can withstand. It is recommended that you purchase products that are capable of operating at 1500 rpm. This option is best suited for making a do-it-yourself belt grinder. The drawing drawn up earlier should contain information about the dimensions of the abrasive strip and its other characteristics.
A good belt must have high abrasion resistance. The resistance of the tape to wear depends on this indicator. For self-made apparatuses, it is recommended to use belts with a length of no more than 123 cm. The abrasive strip should not only be resistant to wear, but also have good resistance to high temperatures generated during friction against the workpiece during operation.
It should be noted that short belts are much more susceptible to wear than longer ones. Experts advise to pay attention to pictures with images of finished products. Photos of devices allow you to answer the question of how to make a grinder with your own hands. A drawing of a device can be greatly simplified if ready-made elements purchased separately are used in its assembly.
Finally, special attention must be paid to the bonding site of the abrasive belt. The joint of the two ends of the strip should be as neat as possible, without any defects or protrusions.
How to glue the belt for the grinding unit yourself
Belt sanders contain a spring, which has a very important function: it tightens the belt that has sagged due to wear. The belt is changed several times, even when machining a small workpiece. This should be remembered.
When assembling a grinder with your own hands from plywood or metal, you can make an abrasive strip yourself. Gluing such a tape is a complex undertaking that does not tolerate mistakes. There are many tips on the Internet on how to properly tape a tape, but many of them are incorrect.
The gluing process is as follows. First you need to pick up a fabric-based emery material. Then it is worth preparing both ends of the abrasive strip. For this, they are cleaned. The seam on the strip is performed exclusively by the "butt-joint" method. Experts definitely recommend reinforcing the glued tape from the inside with a dense strip of fabric, which is fixed with a special adhesive.
Note! In no case should you use Moment glue to glue the tape.
In order to connect the ends of the abrasive strip, you need to purchase a special adhesive. The best option is to use an elastic adhesive. It is not worth saving at the same time, since cheap funds, as a rule, are not of good quality.
Before starting bonding, prepare a strip for tape emery. A do-it-yourself grinder (from scrap materials) needs a reliable abrasive strip, which is difficult to do at home. The process is carried out using a glue stick, which is installed on thermo guns. First, the composition is heated. To do this, you can use an ordinary hairdryer, which is in every home.
Homemade grinder: turntable dimensional drawings and assembly tips
At home, you can design both a simple version of the machine and a more functional device. In order to expand the operational accessory of the unit and ensure ease of operation, a rotary type support table is manufactured. This surface is installed on the side of the largest pulley.
The advantages of using a turntable are obvious. First of all, this will allow fixing the part in a certain position, which will simplify its processing. When assembling a rotary grinder with your own hands, it is worth considering the possibility of changing the direction of the abrasive strip. Emery must necessarily move in the direction where the working surface was deployed.
The table must be equipped with a movable fixing element - a bracket. In this part, the function of rotation about a horizontal axis by fixed angles should be implemented.
Most often, for simple machines created at home, a table made of duralumin is used. Also available in wood. The drawing of the machine is prepared in accordance with its design features. The thickness of the surface for the manufacture of which duralumin is used must be at least 15 mm. This is very important as a thinner table may not handle workloads.
The function of the clamping plane in this case is performed by the unit frame. For this, it is necessary to prepare the frame. It is enough to simply grind one of the surfaces of the frame - the one that is located at the stage.
DIY grinder at home from the drill: assembly features
Such a grinding device can be constructed in a simpler manner. Of course, assembling a stationary unit that is designed to be placed on a table is the best option for grinding various parts on a permanent basis. There are other, less complicated options for creating a grinding device with your own hands.
If you wish, you can make a grinder with your own hands from a grinder or from a drill. The drill is an electric tool, therefore, safety rules must be followed when working with such a device.
The need for processing metal, as well as wooden blanks arises in everyday life. Buying a factory unit for small volumes of work is not the best solution. The easiest way to make a simple grinder is using a drill.
Most often, to assemble such a grinding attachment, such scrap materials as wood, plastic, plywood are used. Before starting work, it is recommended to prepare a nozzle diagram, which will allow you to make a grinder yourself. Videos on this topic are also recommended by experts for viewing, as they cover all the nuances associated with the assembly.
It should be said that when working with small workpieces made of plastic and wood, this grinder shows itself practically no worse than stationary equipment.
Another advantage of this solution is that modern drill models have a special controller. Its function is to adjust the drive speed. Constructive simplicity and high efficiency are reflected in the popularity of such a solution.
DIY grinder at home: video and assembly instructions from the grinder
A stationary grinder for home use by its purpose resembles a device made of a drill. Devices based on an angle grinder, or, as it is also called, a grinder, have their own characteristics.The main distinguishing feature of the grinders is that their drive has a high rotation speed.
Thus, for the manufacture of a grinder from a grinder, a device may be required to control the drive speed. Angle grinders are often used as electronic files. For this, there are special belt-grinding attachments on sale, namely:
- narrow;
- long.
Such attachments are quite popular among craftsmen. With their help, you can easily handle various hard-to-reach places (for example, holes). Making a grinder from a grinder with your own hands is not difficult. To do this, it is necessary to independently design an abrasive nozzle, which is based on a tape of the required size. However, it is much easier to purchase a ready-made tool.
The main structural difference between the angle grinder and other equipment operating from the mains is the location of the grinder's output shaft. This element is deployed at right angles to the body. As a result, this design is very convenient and facilitates easy retention of the drive roller and abrasive cloth.
Thus, such a nozzle is not difficult to do with your own hands. A drawing of a grinder from a grinder can be found on one of the specialized forums dedicated to this topic. This type of tool is quite comfortable to use. The elongated body of the attachment facilitates various kinds of grinding work.

Grinders from a grinder often appear in the everyday life of home craftsmen, because it itself is already a mini-grinder
Making a simple grinder at home is not a difficult undertaking if you approach the matter competently. Of course, you can design more functional equipment with your own hands, but such work requires more time, materials and effort. The choice of a suitable drawing must be carried out focusing on individual needs.



















