Today, many country house owners are looking for alternative sources of electricity. The installation of solar panels is gradually gaining in popularity. However, not everyone can afford to purchase expensive equipment. Therefore, many people ask the question: how to make solar panels with your own hands? The correct answer will be revealed in this article.

DIY solar panels: an affordable power source
Solar battery - a device that converts solar energy into direct electric current

What is a solar cell?

A solar cell is a semiconductor device that converts solar radiation into electrical energy. The main task of such a system is a reliable, economical and uninterrupted power supply to the house. It is advisable to install such devices in areas where there are interruptions in the supply from the main source of electricity.

The solar power plant does not work efficiently at night and on cloudy days, while the peak of power consumption occurs precisely in the evening hours
The solar power plant does not work efficiently at night and on cloudy days, while the peak of power consumption occurs precisely in the evening hours

The main advantages of a solar panel are:

  • easy installation of the device, which does not require laying cables to the supports;
  • the system does not require much time for its maintenance;
  • electricity generation does not have a detrimental effect on the environment;
  • the structure has no moving parts;
  • silent operating mode;
  • the supply of electricity does not depend on the distribution network;
  • long period of system operation at minimal cost.

Disadvantages of a solar panel:

  • the manufacturing process of the system is very laborious;
  • the solar panel takes up a lot of space;
  • the device is very sensitive to dirt;
  • the battery does not work at night;
  • the efficiency of the device directly depends on the weather conditions, namely on sunny and cloudy days.
In winter, it is worth taking care of the possibility of cleaning solar panels from frost and snow.
In winter, it is worth taking care of the possibility of cleaning solar panels from frost and snow.

The principle of the solar battery

The system works by means of photoelectric converters that are connected in a specific sequence. Each photoconverter consists of two silicon wafers, which differ in the type of conductivity. One is covered with phosphorus, as a result of which an excess of negatively charged electrons is formed here. The other plate is coated with boron, which leads to the formation of particles that are absent in the layer of negative charges, the so-called "holes".

The principle of operation of an inexhaustible source of alternative energy is as follows: sunlight hits a negatively charged panel, which leads to the active formation of additional "holes" and electrons. An electric field is present on the panel covered with phosphorus, due to which a potential difference appears. Positively charged particles rush to the upper layer, and negatively charged ones go to the lower one. Constant tension is created. It turns out that one converter works like a battery. A direct current is generated in a circuit when a load is connected to it. Each battery is covered with thin copper veins that carry current and direct it to its intended purpose.

The current strength depends on certain parameters:

  • the size of the photoconverter;
  • insolation level;
  • photocell type;
  • the total resistance of the devices that are connected to the solar panel.
Solar station connection and operation diagram
Solar station connection and operation diagram

Varieties of solar panels

All solar panels can be silicon or film. Panels based on silicon are divided into types:

  • polycrystalline;
  • monocrystalline;
  • amorphous.

The polycrystalline solar cell is a dark blue square device. Its surface is interspersed with heterogeneous silicon crystals. Despite the low efficiency of 18%, this device has the ability to generate current during cloudy weather, which makes them indispensable in areas where diffused sunlight prevails.

Monocrystalline solar energy converters are black panels with beveled corners, for which pure silicon is used. All cells of the device are directed in one direction, which allows obtaining a maximum efficiency of 25%. The disadvantage of such batteries is that their front side must always face the sun. If it did not have time to rise, hid behind the clouds and sank below the horizon, solar panels will produce a current of weak power. It is the most expensive, but also the most productive, type of device.

Flexible solar panel is easy to use - it can be easily attached to uneven roof areas
Flexible solar panel is easy to use - it can be easily attached to uneven roof areas

Each amorphous battery consists of many thinnest layers of silicon, which are obtained by spraying the smallest particles of material onto glass, plastic or foil. Such layers quickly burn out, which after six months leads to a drop in the efficiency of the device by 15-20%. The efficiency of such converters is only 6%. They are the cheapest and can work even in cloudy weather. However, their maximum service life is 2 years.

Film batteries are based not on a solid metal or glass substrate, but on a polymer film. Therefore, they are produced in rolls, which allows the batteries to be spread over large areas. Due to their design, they can be cut into pieces of various shapes and sizes, and solar panels can be placed on the roof of a house with smooth curves. They are compact and lightweight. A rolled panel will be much cheaper than a silicon one, for the manufacture of which an expensive material is used. However, these models are less powerful. It is quite difficult to acquire them today, since production is only developing.

All solar panels, regardless of the type of device, are equipped with controllers that monitor the state of charge of the panel. They redistribute the received energy, directing it to the source of consumption directly or storing it in the battery.

Install stationary solar panels only from the sunny side of the house.
Install stationary solar panels only from the sunny side of the house.

Solar panels for a private house

This alternative to traditional electricity supply is very practical. In addition, the price of the device differs significantly from the cost of electricity.Having made a solar battery for the house with his own hands, the owner will be able to optimize power consumption and thereby reduce his own cash costs. Many people want to understand in advance how much it will cost to install solar panels for a private house. For this, it is necessary to carry out preliminary calculations, which determine the required power of the equipment and the conditions for its operation.

You should start by calculating the amount of energy consumed, which is necessary to provide housing. When creating a full-fledged station, it is worth focusing on batteries of 150-250 W; for a country house, 50 W panels will be enough.

Now you should calculate the total power of all electrical appliances, taking into account the operating time per day. The resulting value is the minimum electricity requirement for a given household.

Solar panels are an alternative way of generating electricity, which will eliminate the services of a utility power plant
Solar panels are an alternative way of generating electricity, which will eliminate the services of a utility power plant

This value is the basis for the subsequent determination of the number of solar panels and the number of auxiliary equipment, which includes batteries, inverters and controllers.

Helpful advice! It is worth adding another 20% to the total electricity demand, which is spent in the batteries themselves.

An important aspect is insolation, that is, the amount of solar energy that falls on a single unit of panel area. This value is individual for each specific region. You can get it in special literature or on specialized meteorological sites.

The energy norm is divided by the insolation value. The resulting figure must be divided by the total power of the solar installation. The resulting value is the number of batteries required. It is important to get the maximum number of panels here. Indeed, in different months the amount of sunlight will be different.

Before installing a solar station, make sure that it can cover the needs of all appliances in the house.
Before installing a solar station, make sure that it can cover the needs of all appliances in the house.

Helpful advice! Since insolation is constantly changing, calculations should be made monthly.

For example, if you need to know how many solar panels are needed for a house of 100 sq.m., where the station will power the lighting bulbs, laptop, TV, satellite dish, microwave oven and an electric stove, all the above calculations should be performed. As a result, the power of the solar station will be approximately 1000 W, which implies the use of 4 solar panels with a capacity of 250 W.

The panel should be positioned on the southern part of the roof, which should be in perfect condition and capable of supporting a substantial load. There should be no trees or other objects nearby that create shadows.

Such a system can be used not only for power supply. Heating by solar panels of a private house is gaining great popularity. This allows you to get away from the costly service associated with centralized gas supply, get rid of dependence on utilities, and get year-round heat over the long life of the solar power plant.

The principle of operation of a solar station connected to a heating element in the house
The principle of operation of a solar station connected to a heating element in the house

Installation of such a system is advisable only for those regions where the sun shines at least 20 days a month. If the sun is not enough for the system to fully heat the house, it can be used as an additional free source. A properly selected solar panel heating system will pay for itself in 3-4 years.

Solar panels for home: consumer reviews

Thanks to numerous positive reviews about the alternative source of electricity, it is possible to dispel the myths that bother potential wishing to install solar panels.

Many people think that such expensive equipment will not pay for itself throughout the entire service life of the installation. However, as practice shows, with the correct installation of solar panels in compliance with all the rules, you can provide a private house with electricity for at least 25 years. And the cost of the equipment will pay off in 3-4 years.

It is worth noting that consumer reviews of solar electricity are mostly positive.
It is worth noting that consumer reviews of solar electricity are mostly positive.

The next myth implies the ineffective operation of solar panels in cloudy weather or in winter. However, the opinions of consumers agree that solar collectors are able to show maximum activity during the sun's zenith in cloudless weather. But when the sun hides behind the clouds, the panels will work, but not in full. The installation completely stops working at night when there is no sunlight at all.

Opponents of solar panels argue that solar collectors are rather fragile and cannot withstand various loads created by nature. However, consumer reviews prove the opposite: the solar panel can withstand even large hail.

Related article:

Solar panels for home: the cost of the kit and the feasibility of installation

The technical requirements for the installation of solar panels. Features of selection and installation. Review of manufacturers.

The next myth concerns snow, which can block the access of light to the system. However, here the danger is frost, which snow will cling to and create barriers. To avoid this, you can position the batteries vertically on the house, then you can avoid a lot of gliding light.

And the last myth concerns the Chinese production of solar panels. Despite a very solid range of products, factories in China often produce high quality goods. This is especially true for the manufacture of solar collectors and heat pipes, the production of which is 90% concentrated in China. These products have high technical characteristics and are certified not only in their own country, but also in Germany.

Numerous positive reviews on the Internet prove that an alternative source of electricity is good not only for a private home. Many people successfully use solar panels for an apartment, which are installed on a balcony. They can be fixed directly on the glass or in the glazing frame, which will act as tinting.

Some users argue that a solar station can fully cover all electricity costs - from small household appliances to a heating and water heating system.
Some users argue that a solar station can fully cover all electricity costs - from small household appliances to a heating and water heating system.

Sets of solar panels 3 kW for a summer residence from 60,000 rubles

In the country, as a rule, there are electrical appliances of low power, where a limited number of batteries and a small frequency of their use are required. If there is no centralized power supply at the dacha, then it is advisable to install a set of solar panels that will generate electricity for free. However, in order to get such gratuitous pleasure, you will initially have to spend on the purchase of the necessary materials, the cost of which will pay off only after a few years.

For the production of 1 kW of electricity, a kit with a capacity of more than 200 W is required. According to numerous reviews, solar power plants for a house in a country house with a capacity of 800 W are capable of providing full autonomous power supply to the facility. The cost of such a system will cost from 80,000 rubles.

A standard set of solar power plants for summer cottages consists of 200 W panels, a 40 A charge controller, a 3 kW inverter, two 200 A batteries and other auxiliary parts.The price of such a kit starts from 60,000 rubles, and the approximate payback period is 3-5 years. However, this is the most profitable way to generate electricity for facilities without centralized power supply. It is less expensive than using a diesel generator.

Solar station components
Solar station components

According to the owners' reviews, it is better to equip solar panels for a house in a summer cottage with two or four modules with a capacity of 200 V each. It depends on the number of energy consumers, the duration and frequency of their use. If the capacity is not enough, it can be increased by adding solar panels.

Many people purchase such a kit for the private sector, where there is a centralized power supply, as an additional source of energy. Numerous reviews of solar panels for the home indicate that in this case, you can significantly save on paying electricity bills.

How to make solar panels with your own hands

When it is not possible to purchase a ready-made solar station, you can create it yourself. There are two options here: purchase ready-made modules and connect them to a battery with an inverter, or solder the panel yourself. The first assembly method is quick, but more expensive. The second option requires a certain skill of the assembler, who must be extremely careful with fragile photocells.

Four solar plates generate a total of 2W of electricity
Four solar plates generate a total of 2 volts of electricity

To create a solar panel for your home with your own hands, you need to prepare certain materials.

The first main component for creating solar panels is a set of quality solar cells. Today it is possible to purchase elements made of polycrystalline or monocrystalline silicon. More popular are the latest solar cells, which are ideal for home power supply.

Helpful advice! All the elements necessary for assembly should be purchased from one manufacturer. Since the materials of different brands differ significantly, which will complicate the assembly of the entire structure.

A set of special conductors is required to connect the photocells. For the manufacture of the case of the future battery, weather-resistant aluminum corners are suitable. The size of the case depends on the number of photocells. It is better to use transparent polycarbonate or plexiglass as an external coating for photocells, which prevent the penetration of infrared rays. As additional materials, you will need fastening hardware, copper electrical wires, Schottky diodes, silicone vacuum stands and a set of screws for fasteners.

A solar battery can be assembled from scrap materials, but the efficiency of such a battery will not be high
A solar battery can be assembled from scrap materials, but the efficiency of such a battery will not be high

In addition to FEP, you need to buy a 12 V 200 V inverter for your home, which converts direct current into alternating current. A pair of gel or AGM batteries is needed to store and slowly consume electricity. An equally important element is a controller that is required to disconnect the battery from the battery during its full charge and turn it on to receive a new portion of electricity.

You can also assemble a solar panel with your own hands from available tools. For this, diodes, foil or transistors are suitable. The work of a solar battery from diodes occurs as a result of a voltage of about 2.5 V under direct sunlight.However, when the sun is not enough, this indicator begins to fall rapidly, and the diodes themselves begin to consume energy. Using such a battery is ineffective.

A foil device is more suitable for the production of thermal energy. Also, foil is an ideal material for PVC substrate. The most efficient is a solar cell, assembled from transistors. The more their number, the higher the power of the device.The upper part of each transistor must be cut off, powder is poured out. The pin of the device are contacts. This battery is designed to power the charging of the phone. For more serious events, its capacity is not enough.

A solar station can be considered a long-term investment of funds that will pay off and will be profitable in the future.
A solar station can be considered a long-term investment of funds that will pay off and will be profitable in the future.

DIY solar panels for home: step-by-step instructions for making

After all the necessary elements have been prepared, you can start assembling the structure, which consists of the following steps:

  1. Creation of a frame of aluminum corners with low sides and hardware, the size of which depends on the number of converters and their area. Here, the distance between the FEP should be taken into account at least 5 mm.
  2. Apply sealant to the inner edges of the battens.
  3. Lay a sheet of transparent material on the frame, firmly adhering to the glue line.
  4. After the sealant has completely dried, fasten the frame and the transparent surface with hardware.
  5. Lay out all the photocells of the battery with the negative side up on a flat surface.
  6. Through soldering tool conductors of the same length are connected to each FEP. This is most conveniently done when the module is on the glass.
  7. All elements are connected in series with each other in the form of a "snake".
  8. The outermost contacts must be soldered to the bus (silver wide conductor).
  9. To prevent a decrease in the quality of lighting in the dark, it is necessary to create "midpoints" using shunt diodes, which are installed on the positive terminal. Schottky diodes are suitable for this.
  10. Place photocells with conductors on a transparent surface.
  11. Lubricate all FEPs, leading out and connecting wires with silicone glue.
  12. Close the structure with the back panel.
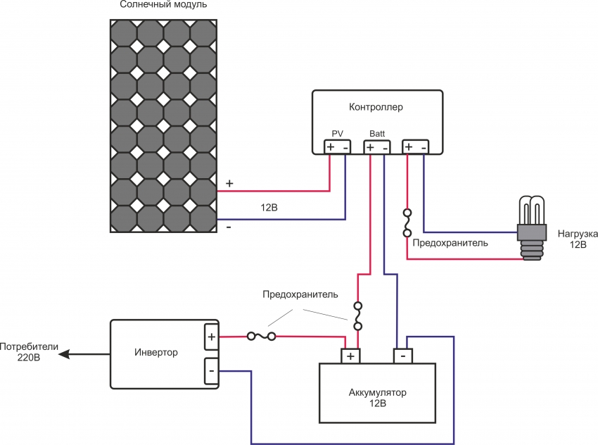
  13. Connect the solar panel to the battery, solar charge controller and inverter.
Simple solar panel wiring diagram
Simple solar panel wiring diagram

Helpful advice! To prevent a short circuit between the load and individual battery cells, fuses must be installed.

Nearly every homeowner wants to get free electricity. Installing solar panels is the most viable option. Using this device, you can create a main (without centralized power supply) and an additional source of electrical energy. The system is environmentally friendly and reliable to use. The main disadvantage is expensive equipment. However, its cost will pay off within 3-5 years.