To ensure optimal placement of wiring devices in the room, it is advisable to know the exact dimensions of the outlet. The design consists of a terminal block, a socket and a decorative frame, therefore, it is necessary to take into account not only the overall dimensions of the product, but also the size of all its components. From this article you can learn about the typical and most common sizes of outlets, as well as the standards that are used when installing them.
Content
General characteristics and dimensions of the standard socket
There are certain standards that must be adhered to during the installation of outlets. Some of these regulations apply to the devices themselves.
According to the installation method and type of design, the sockets are:
- built-in;
- invoices;
- portable.
Embedded or recessed products are installed in walls made of brick, concrete, stone, reinforced concrete and other similar materials. Installation in thin composite partitions is allowed. Such materials include gypsum plasterboard, MDF and chipboard.
The technology for mounting outlets in drywall is quite simple. The wiring device must be placed in a previously prepared hole and secured. The mechanism is fixed using screws and special spacers that are provided in the socket. After installation, the device is covered with a decorative cover for sockets.
Surface-mounted sockets are used in cases where the wiring in the room is installed in an open way. This option is usually found in wooden houses.
Important! Fire safety rules prohibit pulling electrical cables inside the logs, so the installation of wiring devices and all wiring is carried out only in an open way. For these purposes, special socket boxes are provided.
There is a variety of overhead floor sockets. These products are installed on the skirting board. This option is used when the wiring is carried out after the repair.In this case, all cables are hidden inside the skirting boards.
In general, surface-mounted sockets are not as durable as recessed options and are often striking. So that the installation site does not attract too much attention, the device is matched to the tone of the walls or baseboards. Alternatively, thin, overhead rosettes can be used. With a total dimensions of 86x86 mm, the depth of such products is only 25 mm (Chinese products).
Portable versions are made in the form of extension cords. They are additionally equipped with a plug and cord. Most often, such designs consist of two or three sockets.
The body part of the sockets is made of various materials:
- plastic;
- carbolite;
- ceramics;
- rubbers (rubber).
The size of the sockets with a frame depends not only on the manufacturer, but also on the purpose of the structure, as well as the availability of additional functions.
Typical dimensions of wall-recessed sockets
To create built-in type outlets, manufacturers most often use polycarbonate or ABS plastic with increased strength characteristics. Such products are suitable for both residential and industrial premises. The width of the plastic rosettes is 65 to 86 mm. Length (height) varies between 65-366 mm. The depth of the smallest products is 11 mm. The maximum this figure can be 55 mm.
Size range of typical products:
| Length mm | Width, mm | Depth mm |
| 65 | 65 | 11 |
| 71 | 71 | 30 |
| 75 | 75 | 35 |
| 80 | 80 | 38 |
| 161 | 82 | 40 |
| 244 | 84 | 41 |
| 295 | 85 | 50 |
| 366 | 86 | 55 |
The minimum distance between the spacers is 50 mm. Regardless of the model, this distance should not exceed 71 mm. The working temperature of the sockets is in the range of 25-35 ° C. This indicator is common to all manufacturers. The dimensions of the double outlets are not clearly defined. The parameters depend on the manufacturer, product design features, and design.
The parameters of the most common models:
| Structural element | Length (height), mm | Width, mm | Thickness, mm |
| Base of the working part | 71 | 71 | 30,7 |
| Protective frame on the socket | 122 | 81 | 21,6 |
Double models have one socket. The box for this type of socket has two wired terminal blocks. In this case, the mounting part, where the wires are located, they have a common one.
Important! The wire material must be identical. If copper was used for the production of the trunk cable, then the jumper should be the same - copper.
Outlet Specifications: Line Voltage Standard
For Russia, the generally accepted voltage standard in the network is 380 and 220V. Wiring devices for household use are designed for 220V. The second option is used for industrial purposes. These are power outlets. Sometimes three-phase networks are also found in private houses, where a voltage of 380V can also be present, so the fittings must be appropriate. In Japan and the USA, the voltage standard is 100-127V. The electrical fittings produced by these countries are not suitable for connection to high-power networks.
Household sockets are designed to connect electrical appliances, the power of which is no more than 3.5 kW, and the current strength is up to 16A. These parameters correspond to a refrigerator, washing machine, computer, TV and other equipment. More powerful consumers can also be used at home. These include boilers and heating boilers powered by electricity. In such cases, the installation of power outlets is required. There are also industrial versions of devices designed for amperage up to 32A. They are often used in everyday life, where the voltage in the network is 220V.
To connect the boiler, you need to fix only the main conductors - zero and phase, as well as connect the ground, if any. In the domestic market, it is very rare to find household sockets that are designed for high amperage, which causes some difficulties.
In hotels and other public places, as well as in enterprises, there must be a marking in accordance with GOST. Stickers for a 220V socket in the size of 11x35 mm fit the frames of most manufacturers. They comply with the requirements of clause 11.6.2 that all plug devices must be marked with the type of current (alternating or direct) and the rated voltage of the network.
Dimensions of standard plug-in sockets
In a domestic environment, plug sockets are used. This type of connection allows electrical devices to be connected to a power source through a plug. The design itself has the form of a female connector, thereby eliminating the possibility that live parts will come into contact with foreign objects.
Overall dimensions are the length, width and thickness of the product. The standard size of plug-in sockets is 80x80x34 mm. There are other options though. It all depends on the type of construction and installation method.
Standard parameters of two-pole plug sockets (250V, 6A):
| Name | Length mm | Width, mm | Thickness, mm |
| Recessed socket dimensions | |||
| RS6-252 | 80 | 80 | 34 |
| RS6-122 | 81 | 81 | 43 |
| 2RS6-071 (double) | 94 | 80 | 51 |
| Dimensions of overhead sockets | |||
| PA6-252 | 60 | 60 | 37 |
| PA6-123 | 60 | 60 | 37 |
| 2RA6-072 (double) | 98 | 60 | 37 |
| 2RA36-043 (double) | 98 | 60 | 37 |
| 2RA6-119 (double) | 98 | 60 | 37 |
| PA16-251 (double, side ground) | 60 | 60 | 48 |
| RA16-117 (double, side grounding) | 60 | 60 | 48 |
Note! All the sockets indicated in the table correspond to the fourth category of placement (indoor heated rooms with artificial ventilation, no low temperatures, low concentration of dust, the ability to regulate the temperature regime). They are designed for temperate and cold macroclimatic regions (UHL).
Universal fittings: sizes of frames and sockets
It is advisable to know the dimensions of the switches with a frame and all sockets at the stage of designing communications. Based on these data, the optimal place for the installation of wiring devices in the room is selected.
Since the external dimensions of products differ from different manufacturers, it is better to decide in advance on the brand and model of electrical accessories. This is the main difficulty. Most owners at the design stage and laying of communications do not yet know exactly what the final repair will be. For this reason, the purchase of wiring devices, socket boxes and other accessories is carried out immediately before their installation.
The size of the wiring device largely depends on the decorative cover. The dimensions of the visible part of the recessed product will correspond to the dimensions of the socket frame that comes with it. It is from this indicator that you need to build on, performing calculations for future posting.
Sockets and flush-mounted switches consist of the following components:
- support;
- mechanism;
- frame;
- front panel (switches have keys).
Some manufacturers offer complete kits. In other cases, parts must be purchased separately. If desired, you can change the design of the sockets, thanks to removable accessories. Standard frames have universal dimensions, so they are suitable for all wiring devices belonging to the same series. They can be combined with sockets, switches, dimmers and switches.

Frames from different manufacturers have different sizes, so they must be purchased at the same time as the outlets
Dimensional grid and features of Legrand sockets
Legrand (France) has been a leader in the European market for many years. The products of this manufacturer are distinguished by stylish design, durability and reliability, as well as reasonable prices.
Standard sizes of Legrand sockets (plug):
| Height, mm | Width, mm | Depth mm |
| 75 | 75 | 11 |
| 161 | 82 | 11 |
| 244 | 82 | 11 |
| 295 | 84 | 11 |
| 366 | 86 | 11 |
Plug sockets are economical, safe and easy to install. The structures have waterproof properties.The company offers several lines of wiring devices at once, so buyers have a huge choice.
Dimensional parameters of single Legrand sockets (popular series):
| Series name | Height, mm | Width, mm | Depth mm |
| Gait | 75 | 75 | 11 |
| Valen | 82 | 82 | 11 |
| Selyan | 84 | 161 | 11 |
| Life | 86 | 114 | 11 |
The table shows the dimensions of the wiring devices together with the Legrand frames of the corresponding series. The depth of the working part of the products is standard for all sockets of this manufacturer. It is 43 mm.
Note! Only plugs with a grounding type plug will fit into a grounding socket. Wiring devices Legrand can be operated in a network where the voltage is 230V. The maximum permissible load is 3.5 kW.
Sizes of modern outlets with frames: Legrand, Schneider Electric and ABB Busch-Jaeger
Expensive exclusive models of wiring devices, as a rule, have non-standard dimensions. Frames for elite class sockets are often much larger than those of conventional products. If the future interior design does not involve the purchase of expensive status models, you can limit yourself to popular options that are as close to standards as possible.
As a guide, many buyers use the dimensions of Legrand Valen sockets. The products of this manufacturer comply with European standards and at the same time combine optimal characteristics. You don't have to be limited to just that brand. There are other manufacturers who produce models of the same class and quality. In most cases, their dimensions will coincide with the dimensions of the Legrand sockets or will be as close to them as possible.
The external dimensions of single Valena sockets are 82x82x11 mm. Working part depth - 43 mm. To compare the parameters, you can take models from other manufacturers that have a similar class. Comparing the data, you can see that the difference is only a few millimeters. In most cases, when installing wiring devices, such discrepancies are not critical.
For example, the dimensions of Basic 55 outlets from the German brand ABB Busch-Jaeger, together with the frame, are 84x84x11 mm. The depth of the wiring device mechanism is 41 mm. Products of the French company Schneider Electric belong to the same class of electrical fittings. With a total dimensions of 80x80x7 mm, the depth of the Sedna socket mechanism is 44.6 mm.
This means that you can safely focus on the dimensional parameters of the rosettes with Legrand Valen frames, which are taken as an average. If there are any changes during the repair process, then the products of ABB Busch-Jaeger, Schneider Electric and other brands of the same class will fit into the overall picture without any problems.
Useful advice! When installing single and double sockets with a built-in structure, it is advisable to leave a supply of wire in the glass - about 5-6 cm.
Standard frames for rosettes and formula for calculating dimensions
If you need to know the dimensions of the frames with two connection points, you should be guided by the size of the Legrand double sockets of the same series. The same goes for designs with three and four mechanisms.
Standard dimensions of Velen block sockets (with frames):
| Number of sockets in the frame, pcs. | Height, mm | Width, mm | Depth mm |
| 2 | 82 | 153 | 11 |
| 3 | 82 | 224 | 11 |
| 4 | 82 | 295 | 11 |
| 5 | 82 | 366 | 11 |
Each free space for installing an outlet in the frame is called a "post". Accordingly, frames designed for two mechanisms - two-post, etc. It is not necessary to use the Valen series as the only possible standard. You can calculate the width of the products using the universal formula:
Single socket width + (Number of sockets - 1 pc.) X 71 mm = Block frame width
If you want to know the width of the socket for 4 sockets, for example, from the French brand Schneider Electric, the calculation will look like this: 80 mm + (4-1) x 71 mm = 293 mm.If a single Sedna socket has dimensions of 80x80x7 mm, then a four-point one is 80x293x7 mm.
To calculate the dimensions of ABB Busch-Jaeger Basic 55 triple sockets, just take the single-post width (84 mm) and again use the formula: 84 mm + (3-1) x 71 mm = 226 mm. As a result, the dimensions of the three-post structure will be 84x226x11 mm.
Related article:
Installation of socket outlets in concrete walls and thin plasterboard partitions
The nuances of installing boxes for wiring devices in solid walls and thin partitions, detailed technology.
Multi-point or block outlets are ideal for bedrooms, living rooms, kitchens and offices. They provide connection of several electrical appliances at once to one power source.
European and domestic standards for the placement of sockets and switches
A system of international standards is provided for outlets. However, there are still many differences between electrical fittings in different countries. This mainly concerns the configuration of the plug. The pins on it can have different shapes and are located at different distances. This could not but affect the outlets.
The designs of most wiring devices are quite simple, so basically the connection diagram is the same everywhere. Domestic plugs are not combined with some European standard sockets. If the mechanism has flat holes, the round-prong plug will simply not fit. The dimensions of all outlets are approximately the same. But the number of holes can be different, as well as the nature of their placement.
The size of the device is also affected by the presence of grounding. If the total size of the built-in socket is 185x190x85 mm, then the same model with grounding contacts will have dimensions of 230x190x85 mm. The wiring diagram will also be different, since a third cable appears in it.
Differences between domestic models and European standard sockets
Most of the products on the market are C6 sockets that comply with the European standard. The diameter of the pins in such designs is 4.8 mm. The sockets are equipped with grounding contacts. European devices are designed based on German standards.
There are also Soviet-style sockets on sale. For domestic models of the plug type, the diameter of the pins is 4 mm. They are spaced 19 mm apart. These parameters correspond to C5 sockets, which do not provide grounding contacts.
Note! If there is a spring contact in the mechanism, then both European and Soviet plugs (C5 and C6) will fit the socket.
The dimensions of modern fittings, as well as the dimensions of boxes for sockets, are much smaller than those of old-style mechanisms. For this reason, experts recommend replacing metal glasses with plastic versions of these products whenever possible. The fact is that steel legs are not ways to provide a normal support. Such sockets will not fit well in the mounting holes. You can use special gaskets, but they will only be a temporary measure and will not last long.
Sizes of glasses for an outlet and the rules for their placement in rooms
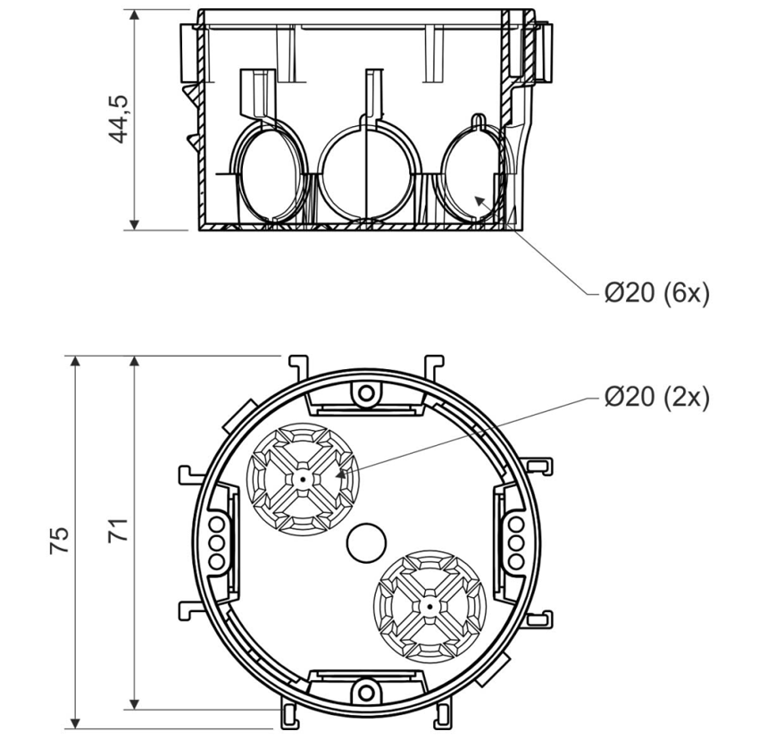
Socket boxes are made of wood, metal and durable plastic. They are used to fix wiring devices inside the walls of the room. The size of the socket holes depends on the size of the back box. Diameter of glasses ranges from 50 to 70 mm, and the depth ranges from 40 to 80 mm. On average, the height of the sockets is 116 mm. The thickness of these products is approximately 23 mm.
Typical dimensions of junction boxes:
| Diameter, mm | Height, mm | Depth mm |
| 50 | 116 | 40 |
| 60 | 116 | 45 |
| 65 | 116 | 68 |
| 68 | 116 | 70 |
| 70 | 116 | 80 |
Most often, for the installation of wiring devices, round boxes with a diameter of 68 or 70 mm are used. To form holes for them, crowns for sockets 70-72 mm in size are used.On sale there are universal type sockets. These products are large - 83 mm.
When installing glasses for sockets, you need to choose the height that meets the requirements of the room. According to the European standard, wiring devices must be located in different parts of the room. Distributing the outlets around the room has its advantages as you do not need to use extension cords. This option is more convenient than installing a block structure in one place.
Useful advice! When calculating the number of outlets for the room, it is advisable to add a small margin.
Basic rules for designing wiring:
- It is advisable to plan the situation in advance. When choosing a place for the installation of electrical installations, one should take into account the arrangement of furniture and the intended placement of household appliances.
- Free access to the sockets is provided. Do not cover wiring devices with pieces of furniture and other dimensional objects.
- The distance between the outlets is calculated so that any part of the room can be easily cleaned with a vacuum cleaner.
- The location of wiring devices depends on the purpose of the room. In warehouses, they are placed near the entrance. In living rooms, it is advisable to install sockets in the recreation area.
- The installation height of sockets and switches also depends on the design of the room. In addition, the growth of the owner should be taken into account.
Standards for the placement of junction boxes for indoor outlets
According to the European standard, sockets for connecting household appliances must be placed at a height of 30 cm from floor level. This arrangement has its advantages as the instrument wires will be at the bottom. Thus, they will not be very conspicuous and will not spoil the appearance of the interior, and also will not create problems when arranging furniture. In addition, the cords, which are located on the floor, do not interfere with the passage.
The switches are mounted at a height of 90 cm. This parameter is considered the best option, since every family member can turn on the lighting without any problems. Even a child can use the switch installed at this level. According to Soviet standards, the sockets are installed at a height of 90 cm from the floor. The advantage of this method is that you do not have to bend over to connect or disconnect the plug.
In addition, according to the standard, the height of the workplace is 0.75-0.8 m, which means that the socket at a height of 0.9 m will be above the table. Thanks to this, it will be possible to connect to the network any desktop devices (lamp, audio equipment, equipment for the aquarium), even if they have a short cord. At the same time, small children cannot reach such an outlet. Guided by these rules, you can install the outlet both in concrete walls and in partitions made of other materials.
GOST regulated the position of not only sockets, but also switches. The optimal level for placing the toggle switch was considered to be 1.6 m high. Thanks to this, the switch was always in the field of view. With this installation, the toggle switch is located at head level, so it is easy to find it indoors, even if there is furniture nearby.
In the hallway, you can limit yourself to the installation of 2-3 sockets. This is enough to connect an electric shoe dryer and a vacuum cleaner. If there are shelves in the hallway, you can install another connector next to them to charge your phone. The bathroom usually has a water heater and a washing machine. Some people use a hair dryer and an electric shaver indoors. For this room, 2-3 sockets will be enough.
A large number of electrical appliances are located in the living room.Therefore, it is recommended to install 1-2 sockets in each wall of the room. It is advisable to use block structures. The kitchen also contains a large number of household appliances and various appliances. Some of them work constantly, others are used periodically. The sockets in this room are installed in accordance with safety standards. For the bedroom, 4 connectors are sufficient.
When installing outlets, special attention should be paid to comfort and safety. And the dimensions of wiring devices and their characteristics are selected in accordance with the requirements of the network and devices. Adhering to generally accepted standards and safety precautions, you can easily install the outlets yourself.



















